ГОСТ ISO 7043-2014 Гайки шестигранные высокие самостопорящиеся с фланцем (с неметаллической вставкой), тип 2. Классы точности А и В

Категории ГОСТ ISO 7043-2014 по ОКС:
Статус документа:
действует, введён в действие 01.01.2017
Название на английском языке:
Prevailing torque type hexagon high nuts with flange (with non metallic insert), style 2. Product grades A и B
Дата актуализации информации по стандарту:
23.10.2025, в 11:01 (менее 3 месяцев назад)
Вид стандарта:
Стандарты на продукцию (услуги)
Дата начала действия ГОСТа:
2017-01-01
Дата последнего издания документа:
2016-02-08
Коды документа ГОСТ ISO 7043-2014:
Код ОКП:
168000
Код КГС:
Г32
Число страниц:
12
Назначение ГОСТ ISO 7043-2014:
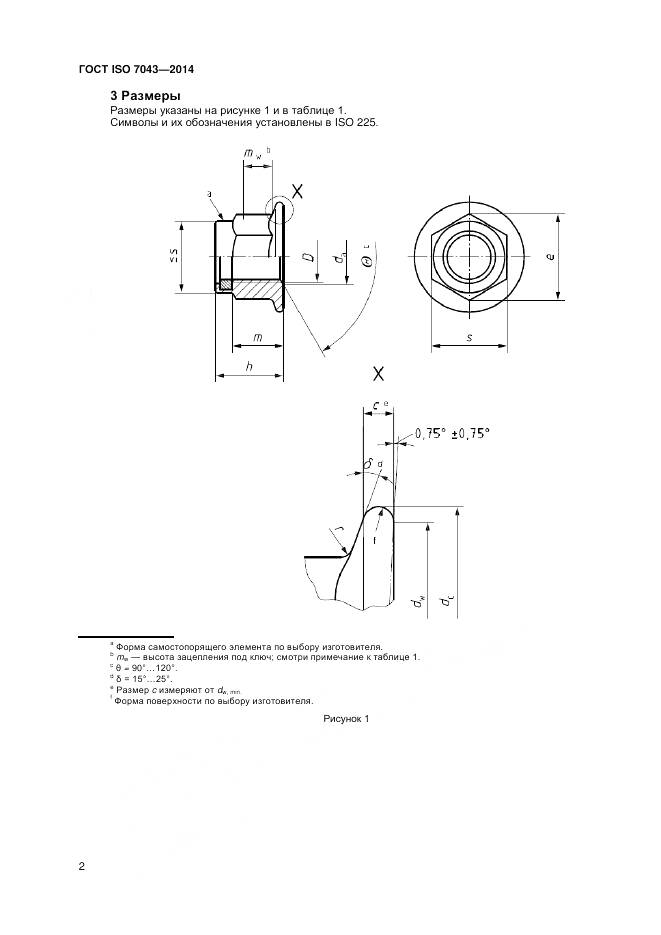
Настоящий стандарт устанавливает характеристики гаек шестигранных самостопорящихся с фланцем (с неметаллической вставкой), тип 2, с резьбой от M5 до M20 включительно, класса точности А для резьбы до М16 мм включительно и класса точности В для резьбы свыше М16, и классов прочности 8, 9 и 10. В случаях, когда необходимы характеристики, отличающиеся от установленных в настоящем стандарте, они могут быть выбраны из действующих международных стандартов, например ISO 261, ISO 724, ISO 898-2, ISO 965-2, ISO 2320 и ISO 4759-1
Документ разработан орг-ей:
Федеральное агентство по техническому регулированию и метрологии (Росстандарт)
Документ принят орг-ей:
Межгосударственный Совет по стандартизации метрологии и сертификации, протокол №72-П
Ключевые слова документа:
гайки шестигранные самостопорящиеся, неметаллическая вставка, обозначения, технические требования, тип 2

Скачать ГОСТ ISO 7043-2014 вы можете в следующих версиях:

Тип файла:
Дата добавления:
Загрузок:
Размер:
Тип файла:
PDF с изображениями
Добавлен:
20/11/2025 15:36
Скачиваний:
6
Размер файла:
0.74 Мб
  • ГОСТ ISO 7043-2014, страница 1 страница 1
  • ГОСТ ISO 7043-2014, страница 2 страница 2
  • ГОСТ ISO 7043-2014, страница 3 страница 3
  • ГОСТ ISO 7043-2014, страница 4 страница 4
  • ГОСТ ISO 7043-2014, страница 5 страница 5
  • ГОСТ ISO 7043-2014, страница 6 страница 6
  • ГОСТ ISO 7043-2014, страница 7 страница 7
  • ГОСТ ISO 7043-2014, страница 8 страница 8
  • ГОСТ ISO 7043-2014, страница 9 страница 9
  • ГОСТ ISO 7043-2014, страница 10 страница 10
  • ГОСТ ISO 7043-2014, страница 11 страница 11
  • ГОСТ ISO 7043-2014, страница 12 страница 12