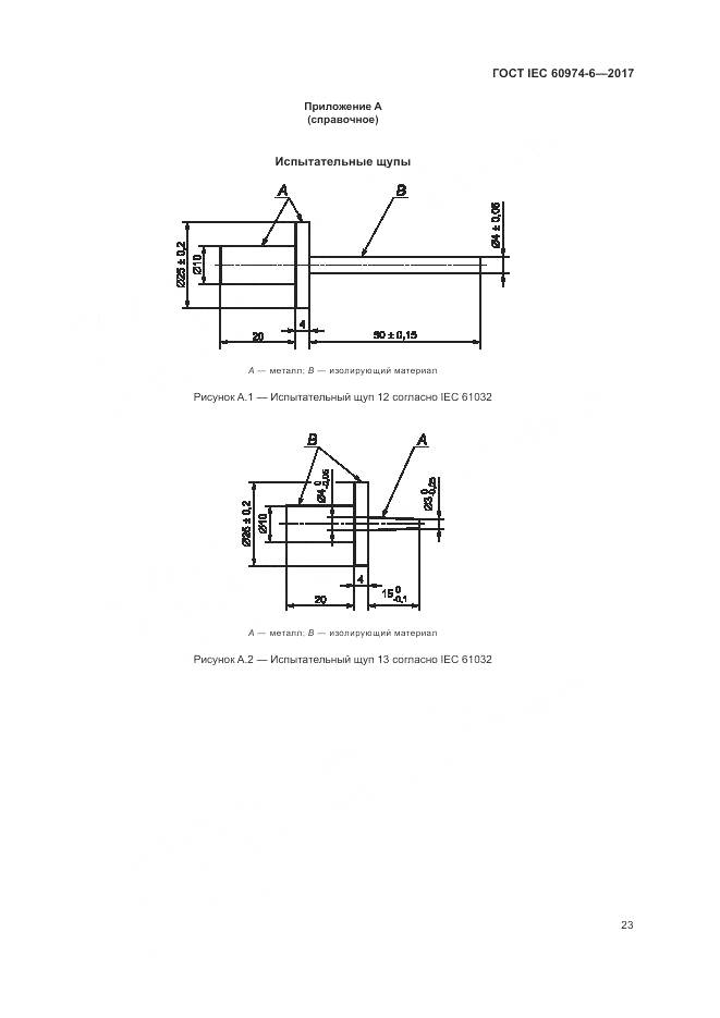
ГОСТ IEC 60974-6-2017 Оборудование для дуговой сварки. Часть 6. Оборудование для работы в ограниченном режиме

Категории ГОСТ IEC 60974-6-2017 по ОКС:
Статус документа:
действует, введён в действие 01.03.2019
Название на английском языке:
Arc welding equipment. Part 6. Limited duty equipment
Дата актуализации информации по стандарту:
30.10.2025, в 21:48 (менее 3 месяцев назад)
Вид стандарта:
Стандарты на продукцию (услуги)
Дата начала действия ГОСТа:
2019-03-01
Дата последнего издания документа:
2018-09-17
Число страниц:
37
Назначение ГОСТ IEC 60974-6-2017:
В настоящем стандарте приведены требования к безопасности и к эксплуатационным характеристикам источников тока для сварки и резки металла, работающим в ограниченном режиме, а также требования к вспомогательным средствам, которые предназначены для применения непрофессиональными сварщиками. Предполагается, что электрооборудование подключается к низковольтной однофазной сети коммунального энергоснабжения. Выходная мощность сварочных агрегатов с приводом от двигателя не может превышать 7,5 кВА
Документ разработан орг-ей:
Федеральное агентство по техническому регулированию и метрологии (Росстандарт)
Документ принят орг-ей:
Межгосударственный Совет по стандартизации метрологии и сертификации, протокол №52-2017
Ключевые слова документа:
дуговая сварка, оборудование для дуговой сварки, сварка

Скачать ГОСТ IEC 60974-6-2017 вы можете в следующих версиях:

Тип файла:
Дата добавления:
Загрузок:
Размер:
Тип файла:
PDF с изображениями
Добавлен:
20/11/2025 14:17
Скачиваний:
3
Размер файла:
2.66 Мб
  • ГОСТ IEC 60974-6-2017, страница 1 страница 1
  • ГОСТ IEC 60974-6-2017, страница 2 страница 2
  • ГОСТ IEC 60974-6-2017, страница 3 страница 3
  • ГОСТ IEC 60974-6-2017, страница 4 страница 4
  • ГОСТ IEC 60974-6-2017, страница 5 страница 5
  • ГОСТ IEC 60974-6-2017, страница 6 страница 6
  • ГОСТ IEC 60974-6-2017, страница 7 страница 7
  • ГОСТ IEC 60974-6-2017, страница 8 страница 8
  • ГОСТ IEC 60974-6-2017, страница 9 страница 9
  • ГОСТ IEC 60974-6-2017, страница 10 страница 10
  • ГОСТ IEC 60974-6-2017, страница 11 страница 11
  • ГОСТ IEC 60974-6-2017, страница 12 страница 12
  • ГОСТ IEC 60974-6-2017, страница 13 страница 13
  • ГОСТ IEC 60974-6-2017, страница 14 страница 14
  • ГОСТ IEC 60974-6-2017, страница 15 страница 15
  • ГОСТ IEC 60974-6-2017, страница 16 страница 16
  • ГОСТ IEC 60974-6-2017, страница 17 страница 17
  • ГОСТ IEC 60974-6-2017, страница 18 страница 18
  • ГОСТ IEC 60974-6-2017, страница 19 страница 19
  • ГОСТ IEC 60974-6-2017, страница 20 страница 20
  • ГОСТ IEC 60974-6-2017, страница 21 страница 21
  • ГОСТ IEC 60974-6-2017, страница 22 страница 22
  • ГОСТ IEC 60974-6-2017, страница 23 страница 23
  • ГОСТ IEC 60974-6-2017, страница 24 страница 24
  • ГОСТ IEC 60974-6-2017, страница 25 страница 25
  • ГОСТ IEC 60974-6-2017, страница 26 страница 26
  • ГОСТ IEC 60974-6-2017, страница 27 страница 27
  • ГОСТ IEC 60974-6-2017, страница 28 страница 28
  • ГОСТ IEC 60974-6-2017, страница 29 страница 29
  • ГОСТ IEC 60974-6-2017, страница 30 страница 30
  • ГОСТ IEC 60974-6-2017, страница 31 страница 31
  • ГОСТ IEC 60974-6-2017, страница 32 страница 32
  • ГОСТ IEC 60974-6-2017, страница 33 страница 33
  • ГОСТ IEC 60974-6-2017, страница 34 страница 34
  • ГОСТ IEC 60974-6-2017, страница 35 страница 35
  • ГОСТ IEC 60974-6-2017, страница 36 страница 36
  • ГОСТ IEC 60974-6-2017, страница 37 страница 37