ГОСТ IEC 60906-1-2015 Система МЭК вилок и штепсельных розеток бытового и аналогичного назначения. Часть 1. Вилки и штепсельные розетки на 16 А, 250 В переменного тока

Категории ГОСТ IEC 60906-1-2015 по ОКС:
Статус документа:
действует, введён в действие 01.03.2017
Название на английском языке:
IEC system of plugs and socket-outlets for household and similar purposes. Part 1. Plugs and socket-outlets 16 A 250 V a.c.
Дата актуализации информации по стандарту:
26.10.2025, в 23:08 (менее 3 месяцев назад)
Вид стандарта:
Стандарты на продукцию (услуги)
Дата начала действия ГОСТа:
2017-03-01
Дата последнего издания документа:
2016-08-08
Число страниц:
24
Назначение ГОСТ IEC 60906-1-2015:
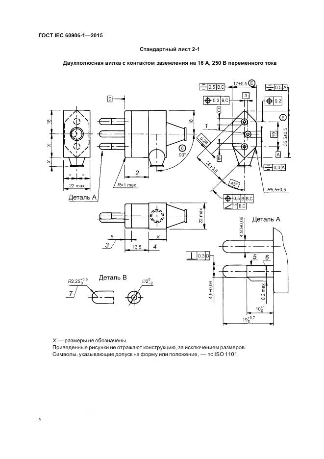
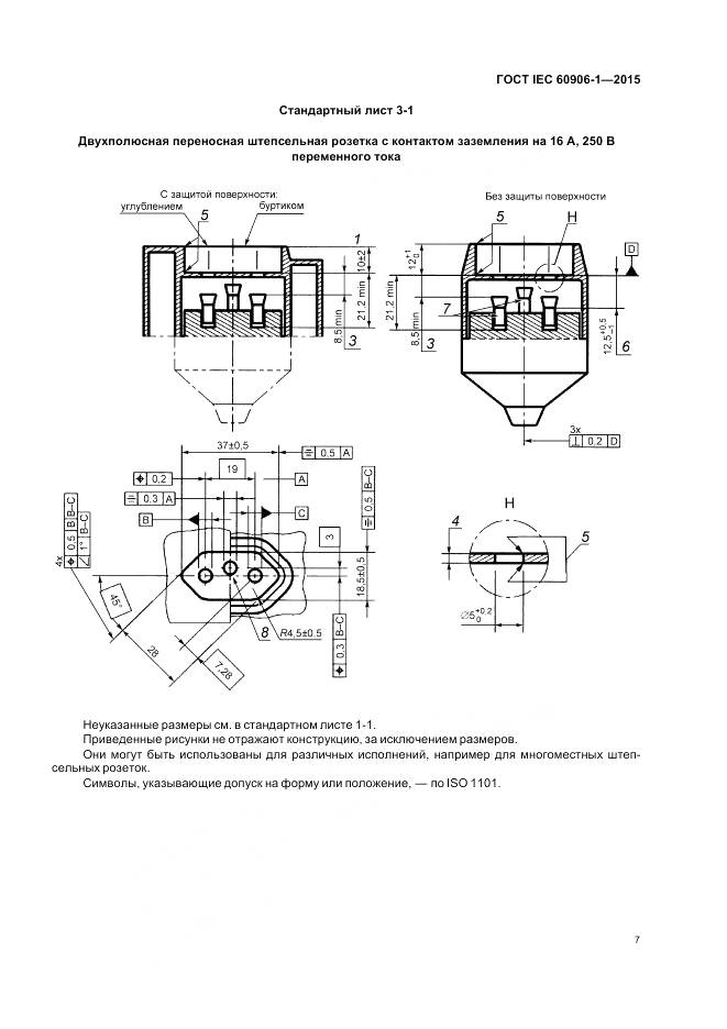
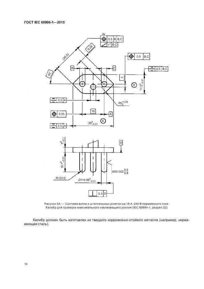
Настоящий стандарт распространяется на вилки и штепсельные розетки по системе МЭК бытового и аналогичного назначения, рассчитанные на 16 А 250 В переменного тока для подключения к распределительным системам с номинальными напряжениями от 200 до 250 В переменного тока при соблюдении требований к габаритным размерам. Настоящий стандарт не распространяется на вилки и штепсельные розетки на 15 А 125 В переменного тока бытового и аналогичного назначения для подключения к распределительным системам с номинальными напряжениями от 100 до 125 В переменного тока
Документ разработан орг-ей:
Федеральное агентство по техническому регулированию и метрологии (Росстандарт)
Документ принят орг-ей:
Межгосударственный Совет по стандартизации метрологии и сертификации, протокол №80-П
Ключевые слова документа:
вилки, габаритные размеры, штепсельные розетки

Скачать ГОСТ IEC 60906-1-2015 вы можете в следующих версиях:

Тип файла:
Дата добавления:
Загрузок:
Размер:
Тип файла:
PDF с изображениями
Добавлен:
20/11/2025 15:28
Скачиваний:
4
Размер файла:
1.14 Мб
  • ГОСТ IEC 60906-1-2015, страница 1 страница 1
  • ГОСТ IEC 60906-1-2015, страница 2 страница 2
  • ГОСТ IEC 60906-1-2015, страница 3 страница 3
  • ГОСТ IEC 60906-1-2015, страница 4 страница 4
  • ГОСТ IEC 60906-1-2015, страница 5 страница 5
  • ГОСТ IEC 60906-1-2015, страница 6 страница 6
  • ГОСТ IEC 60906-1-2015, страница 7 страница 7
  • ГОСТ IEC 60906-1-2015, страница 8 страница 8
  • ГОСТ IEC 60906-1-2015, страница 9 страница 9
  • ГОСТ IEC 60906-1-2015, страница 10 страница 10
  • ГОСТ IEC 60906-1-2015, страница 11 страница 11
  • ГОСТ IEC 60906-1-2015, страница 12 страница 12
  • ГОСТ IEC 60906-1-2015, страница 13 страница 13
  • ГОСТ IEC 60906-1-2015, страница 14 страница 14
  • ГОСТ IEC 60906-1-2015, страница 15 страница 15
  • ГОСТ IEC 60906-1-2015, страница 16 страница 16
  • ГОСТ IEC 60906-1-2015, страница 17 страница 17
  • ГОСТ IEC 60906-1-2015, страница 18 страница 18
  • ГОСТ IEC 60906-1-2015, страница 19 страница 19
  • ГОСТ IEC 60906-1-2015, страница 20 страница 20
  • ГОСТ IEC 60906-1-2015, страница 21 страница 21
  • ГОСТ IEC 60906-1-2015, страница 22 страница 22
  • ГОСТ IEC 60906-1-2015, страница 23 страница 23
  • ГОСТ IEC 60906-1-2015, страница 24 страница 24