ГОСТ Р 55820-2013 Рельсы железнодорожные остряковые. Технические условия

Категории ГОСТ Р 55820-2013 по ОКС:
Статус документа:
действует, введён в действие 01.08.2017
Название на английском языке:
Switch and crossing rails. Specifications
Дата актуализации информации по стандарту:
30.10.2025, в 20:58 (менее 3 месяцев назад)
Вид стандарта:
временно не известен
Дата начала действия ГОСТа:
2017-08-01
Коды документа ГОСТ Р 55820-2013:
Код ОКП:
092100
Код КГС:
В42
Число страниц:
84
Назначение ГОСТ Р 55820-2013:
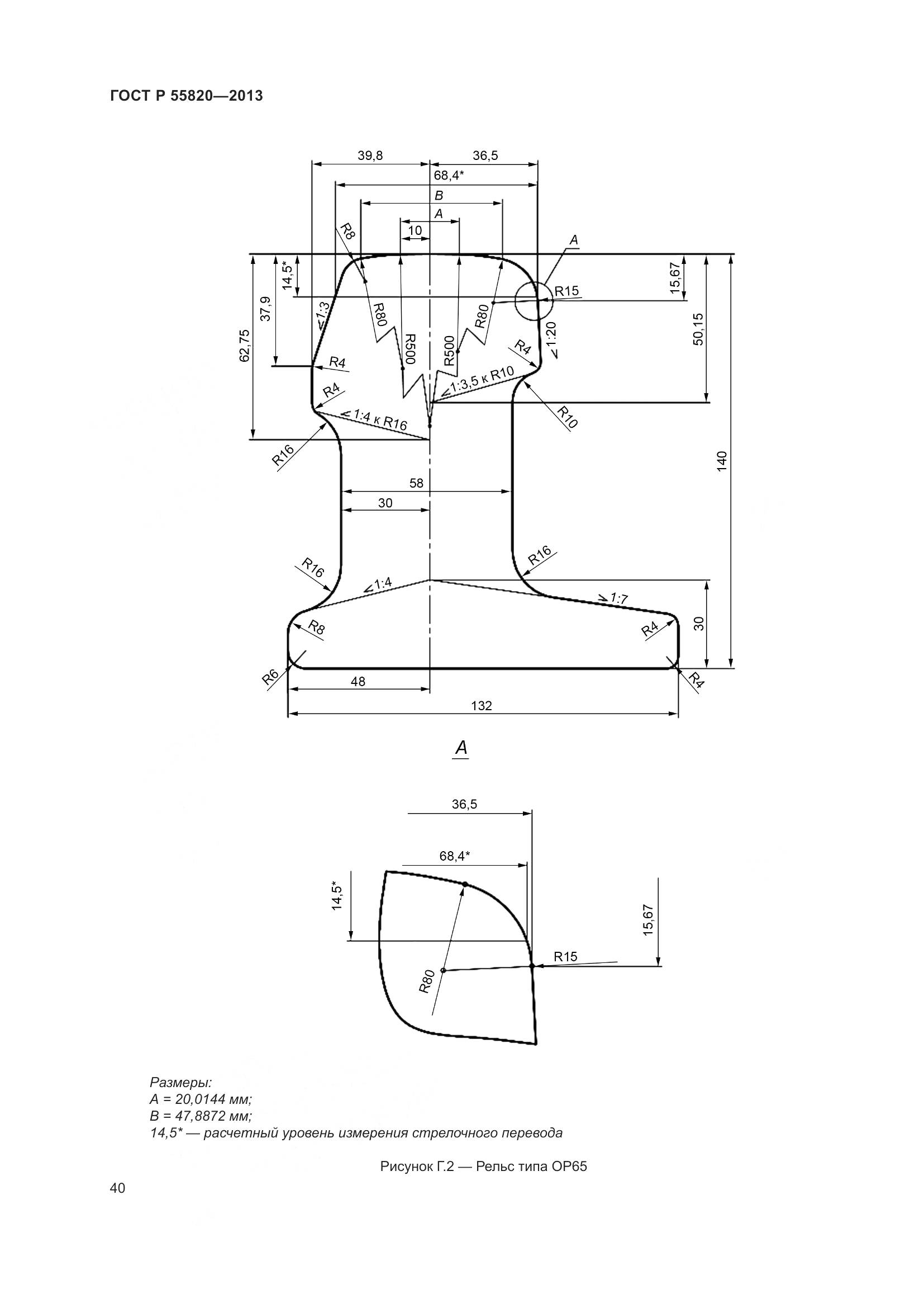
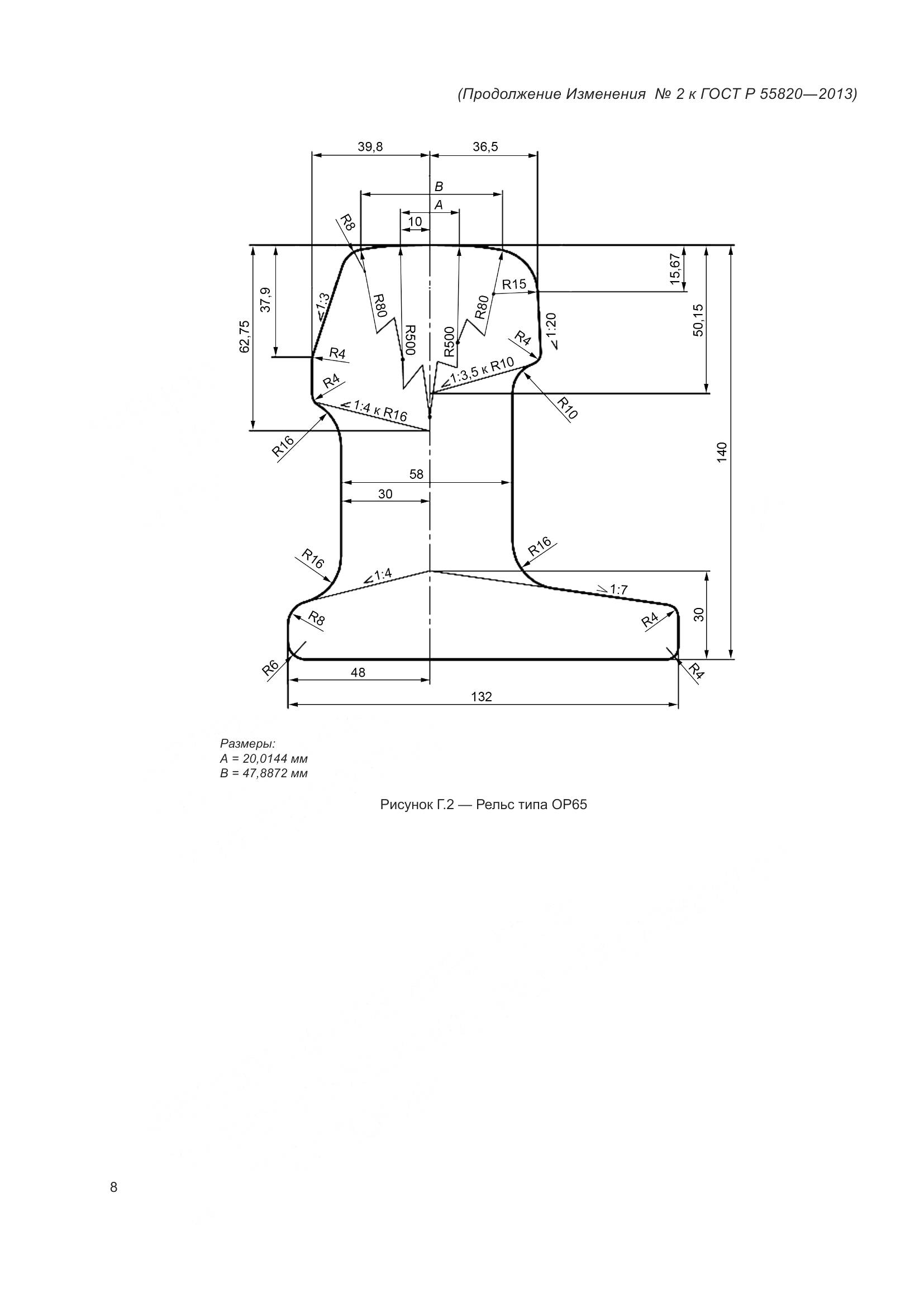
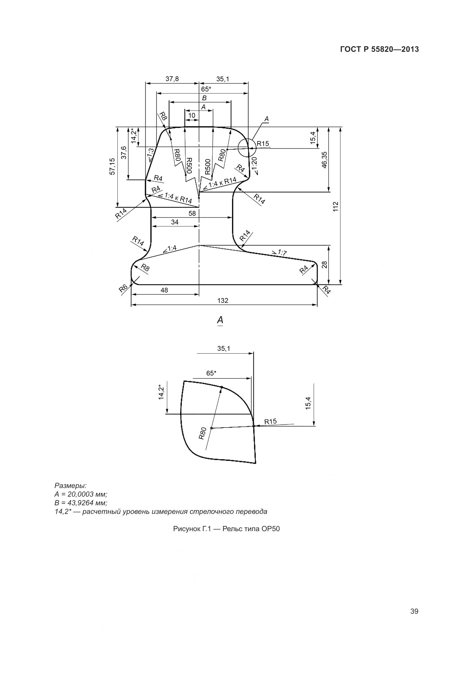
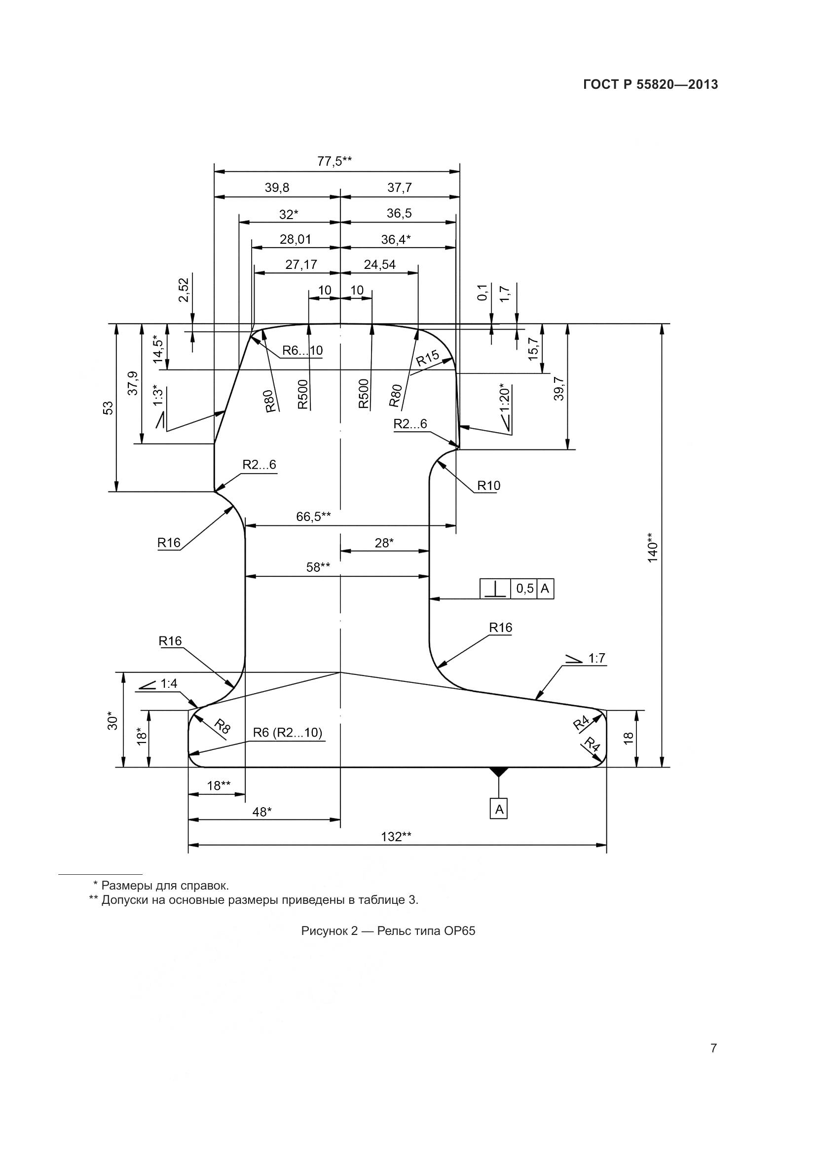
Настоящий стандарт распространяется на железнодорожные остряковые рельсы (далее - рельсы), предназначенные для изготовления конструкций верхнего строения железнодорожного пути широкой колеи общего и необщего пользования, и устанавливает технические требования
Ключевые слова документа:
гарантии изготовителя, железнодорожные рельсы остряковые, классификация, конструкция и размеры, методы испытаний, правила приемки, технические требования, транспортирование, хранение
Ссылки на прочие:
EN 13674-2:2006

Скачать ГОСТ Р 55820-2013 вы можете в следующих версиях:

Тип файла:
Дата добавления:
Загрузок:
Размер:
Тип файла:
PDF с изображениями
Добавлен:
20/11/2025 14:20
Скачиваний:
1
Размер файла:
21.88 Мб
  • ГОСТ Р 55820-2013, страница 1 страница 1
  • ГОСТ Р 55820-2013, страница 2 страница 2
  • ГОСТ Р 55820-2013, страница 3 страница 3
  • ГОСТ Р 55820-2013, страница 4 страница 4
  • ГОСТ Р 55820-2013, страница 5 страница 5
  • ГОСТ Р 55820-2013, страница 6 страница 6
  • ГОСТ Р 55820-2013, страница 7 страница 7
  • ГОСТ Р 55820-2013, страница 8 страница 8
  • ГОСТ Р 55820-2013, страница 9 страница 9
  • ГОСТ Р 55820-2013, страница 10 страница 10
  • ГОСТ Р 55820-2013, страница 11 страница 11
  • ГОСТ Р 55820-2013, страница 12 страница 12
  • ГОСТ Р 55820-2013, страница 13 страница 13
  • ГОСТ Р 55820-2013, страница 14 страница 14
  • ГОСТ Р 55820-2013, страница 15 страница 15
  • ГОСТ Р 55820-2013, страница 16 страница 16
  • ГОСТ Р 55820-2013, страница 17 страница 17
  • ГОСТ Р 55820-2013, страница 18 страница 18
  • ГОСТ Р 55820-2013, страница 19 страница 19
  • ГОСТ Р 55820-2013, страница 20 страница 20
  • ГОСТ Р 55820-2013, страница 21 страница 21
  • ГОСТ Р 55820-2013, страница 22 страница 22
  • ГОСТ Р 55820-2013, страница 23 страница 23
  • ГОСТ Р 55820-2013, страница 24 страница 24
  • ГОСТ Р 55820-2013, страница 25 страница 25
  • ГОСТ Р 55820-2013, страница 26 страница 26
  • ГОСТ Р 55820-2013, страница 27 страница 27
  • ГОСТ Р 55820-2013, страница 28 страница 28
  • ГОСТ Р 55820-2013, страница 29 страница 29
  • ГОСТ Р 55820-2013, страница 30 страница 30
  • ГОСТ Р 55820-2013, страница 31 страница 31
  • ГОСТ Р 55820-2013, страница 32 страница 32
  • ГОСТ Р 55820-2013, страница 33 страница 33
  • ГОСТ Р 55820-2013, страница 34 страница 34
  • ГОСТ Р 55820-2013, страница 35 страница 35
  • ГОСТ Р 55820-2013, страница 36 страница 36
  • ГОСТ Р 55820-2013, страница 37 страница 37
  • ГОСТ Р 55820-2013, страница 38 страница 38
  • ГОСТ Р 55820-2013, страница 39 страница 39
  • ГОСТ Р 55820-2013, страница 40 страница 40
  • ГОСТ Р 55820-2013, страница 41 страница 41
  • ГОСТ Р 55820-2013, страница 42 страница 42
  • ГОСТ Р 55820-2013, страница 43 страница 43
  • ГОСТ Р 55820-2013, страница 44 страница 44
  • ГОСТ Р 55820-2013, страница 45 страница 45
  • ГОСТ Р 55820-2013, страница 46 страница 46
  • ГОСТ Р 55820-2013, страница 47 страница 47
  • ГОСТ Р 55820-2013, страница 48 страница 48
  • ГОСТ Р 55820-2013, страница 49 страница 49
  • ГОСТ Р 55820-2013, страница 50 страница 50
  • ГОСТ Р 55820-2013, страница 51 страница 51
  • ГОСТ Р 55820-2013, страница 52 страница 52
  • ГОСТ Р 55820-2013, страница 53 страница 53
  • ГОСТ Р 55820-2013, страница 54 страница 54
  • ГОСТ Р 55820-2013, страница 55 страница 55
  • ГОСТ Р 55820-2013, страница 56 страница 56
  • ГОСТ Р 55820-2013, страница 57 страница 57
  • ГОСТ Р 55820-2013, страница 58 страница 58
  • ГОСТ Р 55820-2013, страница 59 страница 59
  • ГОСТ Р 55820-2013, страница 60 страница 60
  • ГОСТ Р 55820-2013, страница 61 страница 61
  • ГОСТ Р 55820-2013, страница 62 страница 62
  • ГОСТ Р 55820-2013, страница 63 страница 63
  • ГОСТ Р 55820-2013, страница 64 страница 64
  • ГОСТ Р 55820-2013, страница 65 страница 65
  • ГОСТ Р 55820-2013, страница 66 страница 66
  • ГОСТ Р 55820-2013, страница 67 страница 67
  • ГОСТ Р 55820-2013, страница 68 страница 68
  • ГОСТ Р 55820-2013, страница 69 страница 69
  • ГОСТ Р 55820-2013, страница 70 страница 70
  • ГОСТ Р 55820-2013, страница 71 страница 71
  • ГОСТ Р 55820-2013, страница 72 страница 72
  • ГОСТ Р 55820-2013, страница 73 страница 73
  • ГОСТ Р 55820-2013, страница 74 страница 74
  • ГОСТ Р 55820-2013, страница 75 страница 75
  • ГОСТ Р 55820-2013, страница 76 страница 76
  • ГОСТ Р 55820-2013, страница 77 страница 77
  • ГОСТ Р 55820-2013, страница 78 страница 78
  • ГОСТ Р 55820-2013, страница 79 страница 79
  • ГОСТ Р 55820-2013, страница 80 страница 80
  • ГОСТ Р 55820-2013, страница 81 страница 81
  • ГОСТ Р 55820-2013, страница 82 страница 82
  • ГОСТ Р 55820-2013, страница 83 страница 83
  • ГОСТ Р 55820-2013, страница 84 страница 84