ГОСТ Р 55647-2013
ГОСТ Р 55647-2013 Провода контактные из меди и ее сплавов для электрифицированных железных дорог. Технические условия
Категории ГОСТ Р 55647-2013 по ОКС:- 29. Электротехника.
- 29.280. Электрическое тяговое оборудование *включая железнодорожные электрические стационарные установки *неэлектрический железнодорожный тяговый состав см. 45.060.10 *электрические дорожно-транспортные средства см.43.120
- Статус документа:
- принят, введён в действие 01.07.2014
- Название на английском языке:
- Copper and copper alloys trolley wires for electric railways. Specifications
- Дата актуализации информации по стандарту:
- 22.01.2026, в 19:57 (менее месяца назад)
- Вид стандарта:
- временно не известен
- Дата начала действия ГОСТа:
- 2014-07-01
Коды документа ГОСТ Р 55647-2013:
- Код ОКП:
- 318533
- Число страниц:
- не известно
- Назначение ГОСТ Р 55647-2013:
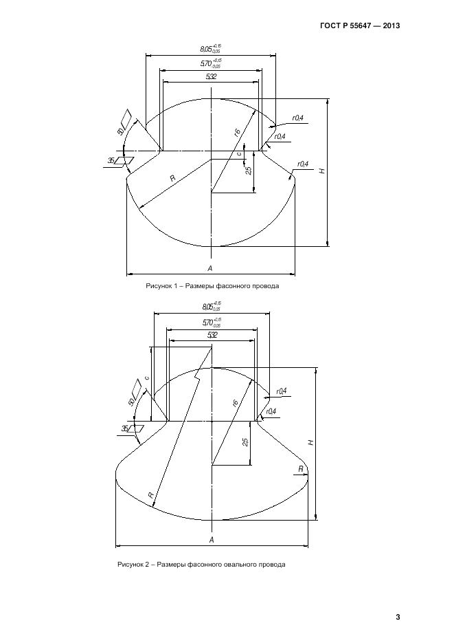
- Настоящий стандарт распространяется на контактные провода из меди и ее сплавов, предназначенные для контактной сети электрифицированных железных дорог
- Ключевые слова документа:
- испытания, контактный провод из бронзы, контактный провод из меди, размеры, требования
Нормативные ссылки, связанные с ГОСТ Р 55647-2013:
- На стандарт ссылаются:
- ГОСТ 32680-2014
Скачать ГОСТ Р 55647-2013 вы можете в следующих версиях:
Тип файла:
Дата добавления:
Загрузок:
Размер:
Ссылка на скачивание:
Добавлен:
23/01/2016 18:36
Скачиваний:
33
Размер файла:
0.49 Мб
Ссылка для скачивания:
-
страница 1
-
страница 2
-
страница 3
-
страница 4
-
страница 5
-
страница 6
-
страница 7
-
страница 8
-
страница 9
-
страница 10
-
страница 11
-
страница 12