ГОСТ Р 51330.4-99 Электрооборудование взрывозащищенное. Часть 3. Искрообразующие механизмы для испытаний электрических цепей на искробезопасность

Категории ГОСТ Р 51330.4-99 по ОКС:
Статус документа:
действует, введён в действие 01.01.2001
Название на английском языке:
Electrical apparatus for explosive gas atmospheres. Part 3. Spart-test apparatus for intrinsically-safe cirсuits
Дата актуализации информации по стандарту:
17.02.2014, в 18:36 (более года назад)
Вид стандарта:
Стандарты на продукцию (услуги)
Дата начала действия ГОСТа:
2001-01-01
Срок действия ограничен:
15.02.2014
Дата последнего издания документа:
2001-09-19
Коды документа ГОСТ Р 51330.4-99:
Код ОКП:
340200
Код КГС:
Е02
Код ОКСТУ:
3302;3402
Число страниц:
16
Назначение ГОСТ Р 51330.4-99:
Настоящий стандарт распространяется на взрывозащищенное электрооборудование (электротехнические устройства) групп I и II с взрывозащитой видов "искробезопаная электирическая цепь" , а также на электрооборудование с взрывозащитой других видов имеющее искробезопасные и связанные с ними искроопасные электрические цепи
Ключевые слова документа:
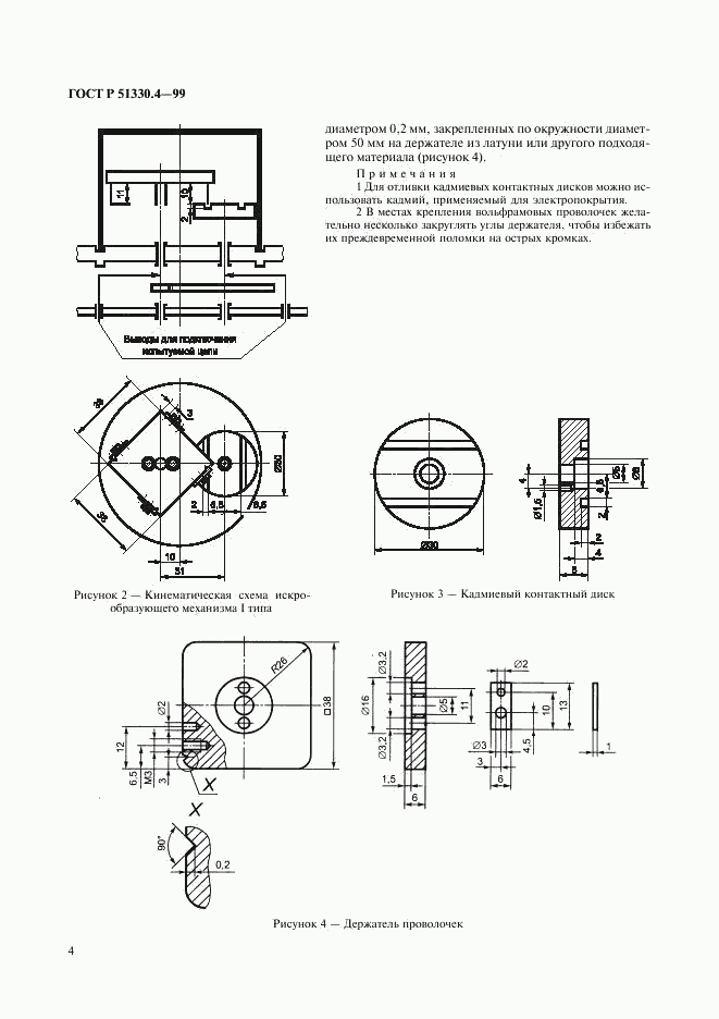
взрывная камера, взрывоопасная испытательная смесь, искробезопасная цепь, искробезопасный ток, искрообразующий механизм, коэффициент безопасности, минимальный воспламеняющий ток, электрический разряд, электрооборудование взрывозащищенное, энергия электрического разряда

Скачать ГОСТ Р 51330.4-99 вы можете в следующих версиях:

Тип файла:
Дата добавления:
Загрузок:
Размер:
Тип файла:
PDF с изображениями
Добавлен:
12/12/2011 02:03
Скачиваний:
165
Размер файла:
0.82 Мб

Поправки и изменения к ГОСТ Р 51330.4-99:

  • Наименование, вид:
    Дата
    регистрации:
    начала действия:
  • Изменение к ГОСТ Р 51330.4-99. Отменен

    Тип изменения: Отменен
    Номер изменения:
    Регистрационный номер: 1869-ст
    Новое значение: Отменен, с 15.02.2014 пользоваться ГОСТ 30852.4-2002

    2012-11-29
    2014-02-15
  • ГОСТ Р 51330.4-99, страница 1 страница 1
  • ГОСТ Р 51330.4-99, страница 2 страница 2
  • ГОСТ Р 51330.4-99, страница 3 страница 3
  • ГОСТ Р 51330.4-99, страница 4 страница 4
  • ГОСТ Р 51330.4-99, страница 5 страница 5
  • ГОСТ Р 51330.4-99, страница 6 страница 6
  • ГОСТ Р 51330.4-99, страница 7 страница 7
  • ГОСТ Р 51330.4-99, страница 8 страница 8
  • ГОСТ Р 51330.4-99, страница 9 страница 9
  • ГОСТ Р 51330.4-99, страница 10 страница 10
  • ГОСТ Р 51330.4-99, страница 11 страница 11
  • ГОСТ Р 51330.4-99, страница 12 страница 12
  • ГОСТ Р 51330.4-99, страница 13 страница 13
  • ГОСТ Р 51330.4-99, страница 14 страница 14
  • ГОСТ Р 51330.4-99, страница 15 страница 15
  • ГОСТ Р 51330.4-99, страница 16 страница 16