ГОСТ 34532-2025 Цементы тампонажные. Методы испытаний

Категории ГОСТ 34532-2025 по ОКС:
Статус документа:
принят, введён в действие 01.06.2026
Название на английском языке:
Well cements. Test methods
Дата актуализации информации по стандарту:
19.10.2025, в 15:04 (менее 3 месяцев назад)
Вид стандарта:
временно не известен
Дата начала действия ГОСТа:
2026-06-01
Число страниц:
32
Назначение ГОСТ 34532-2025:
не указано

Скачать ГОСТ 34532-2025 вы можете в следующих версиях:

Тип файла:
Дата добавления:
Загрузок:
Размер:
Тип файла:
PDF с изображениями
Добавлен:
21/11/2025 10:22
Скачиваний:
3
Размер файла:
8.53 Мб
  • ГОСТ 34532-2025, страница 1 страница 1
  • ГОСТ 34532-2025, страница 2 страница 2
  • ГОСТ 34532-2025, страница 3 страница 3
  • ГОСТ 34532-2025, страница 4 страница 4
  • ГОСТ 34532-2025, страница 5 страница 5
  • ГОСТ 34532-2025, страница 6 страница 6
  • ГОСТ 34532-2025, страница 7 страница 7
  • ГОСТ 34532-2025, страница 8 страница 8
  • ГОСТ 34532-2025, страница 9 страница 9
  • ГОСТ 34532-2025, страница 10 страница 10
  • ГОСТ 34532-2025, страница 11 страница 11
  • ГОСТ 34532-2025, страница 12 страница 12
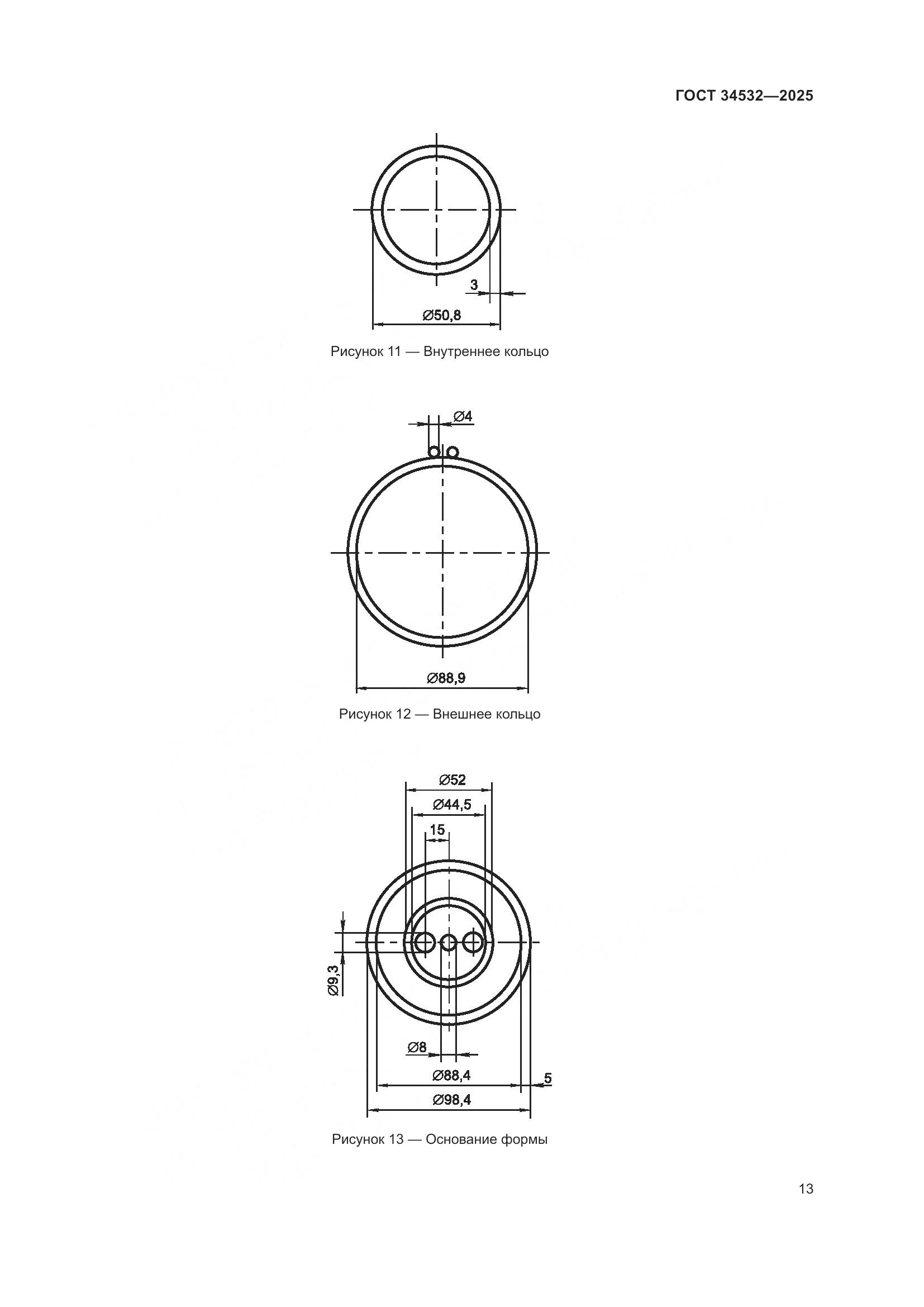
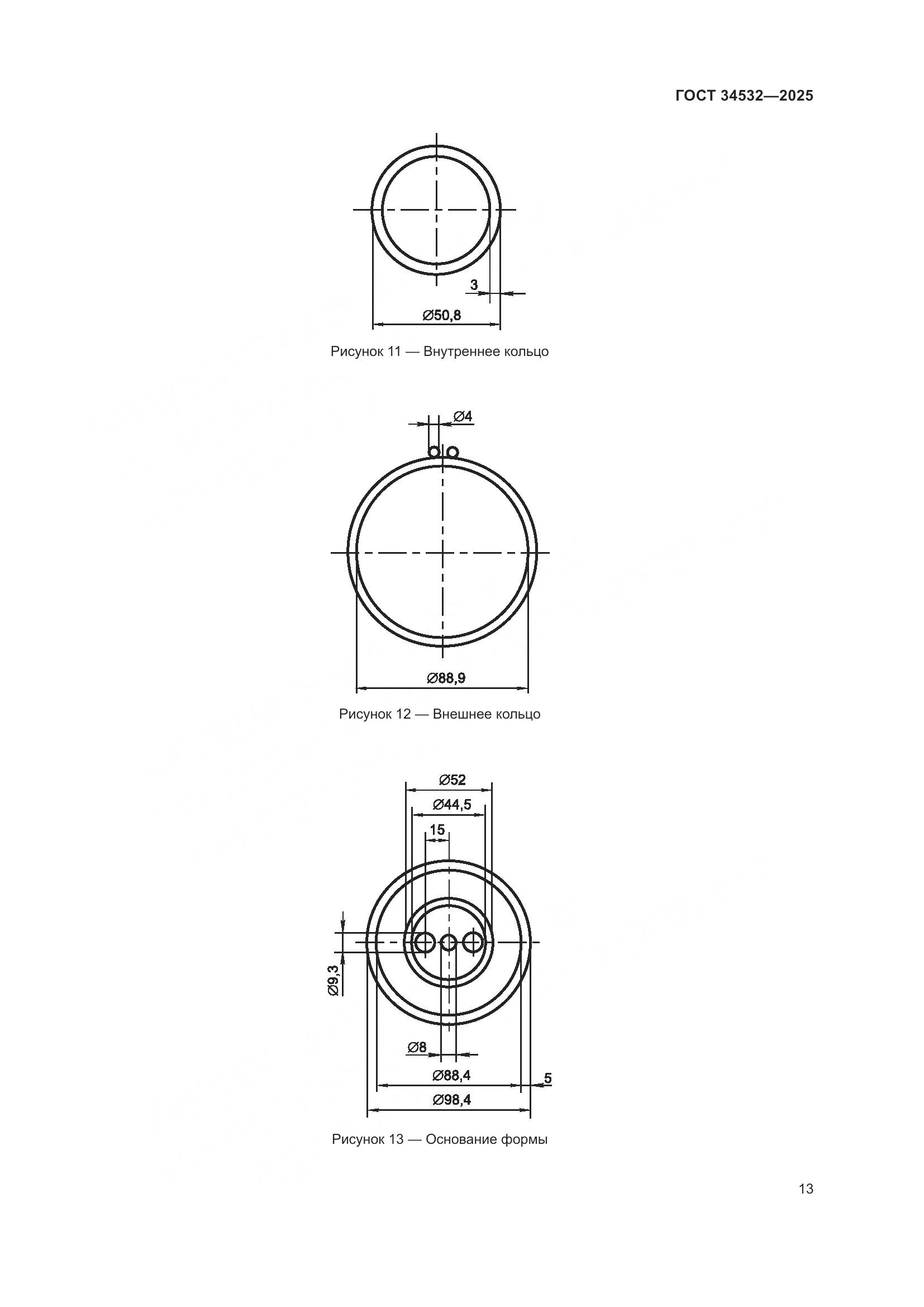
  • ГОСТ 34532-2025, страница 13 страница 13
  • ГОСТ 34532-2025, страница 14 страница 14
  • ГОСТ 34532-2025, страница 15 страница 15
  • ГОСТ 34532-2025, страница 16 страница 16
  • ГОСТ 34532-2025, страница 17 страница 17
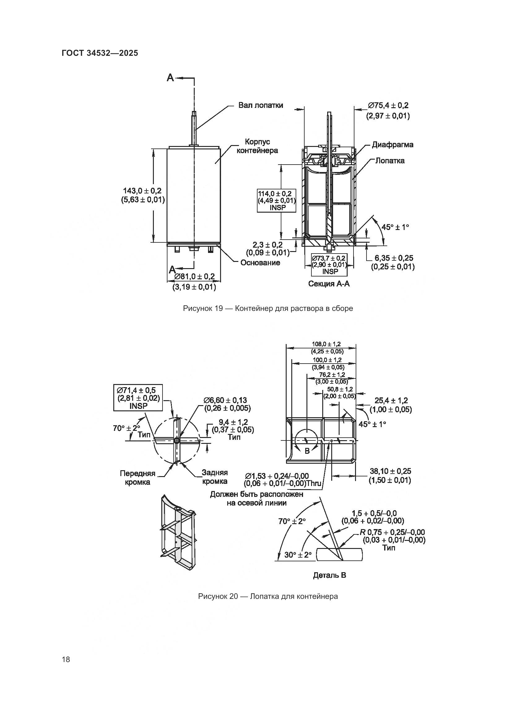
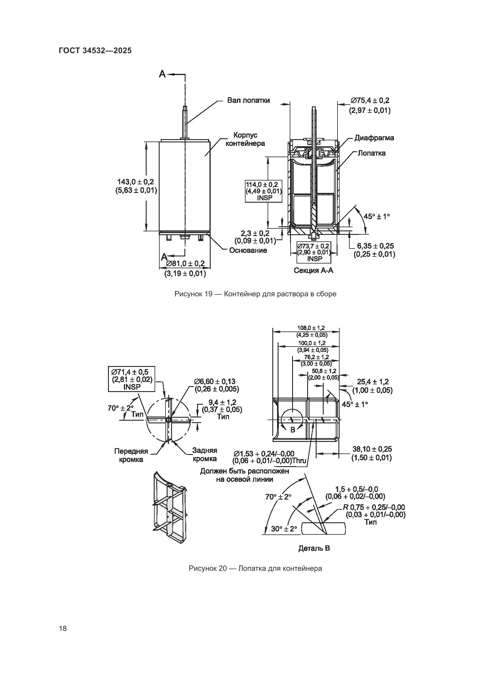
  • ГОСТ 34532-2025, страница 18 страница 18
  • ГОСТ 34532-2025, страница 19 страница 19
  • ГОСТ 34532-2025, страница 20 страница 20
  • ГОСТ 34532-2025, страница 21 страница 21
  • ГОСТ 34532-2025, страница 22 страница 22
  • ГОСТ 34532-2025, страница 23 страница 23
  • ГОСТ 34532-2025, страница 24 страница 24
  • ГОСТ 34532-2025, страница 25 страница 25
  • ГОСТ 34532-2025, страница 26 страница 26
  • ГОСТ 34532-2025, страница 27 страница 27
  • ГОСТ 34532-2025, страница 28 страница 28
  • ГОСТ 34532-2025, страница 29 страница 29
  • ГОСТ 34532-2025, страница 30 страница 30
  • ГОСТ 34532-2025, страница 31 страница 31
  • ГОСТ 34532-2025, страница 32 страница 32