ГОСТ 33198-2014 Топлива нефтяные. Определение содержания сероводорода. Экспресс-методы жидкофазной экстракции

Категории ГОСТ 33198-2014 по ОКС:
Статус документа:
действует, введён в действие 01.01.2019
Название на английском языке:
Oil fuels. Determination of hydrogen sulfide content. Rapid liquid phase extraction method
Дата актуализации информации по стандарту:
05.11.2025, в 16:55 (менее 3 месяцев назад)
Вид стандарта:
Стандарты на методы контроля
Дата начала действия ГОСТа:
2019-01-01
Дата последнего издания документа:
2018-11-20
Число страниц:
16
Назначение ГОСТ 33198-2014:
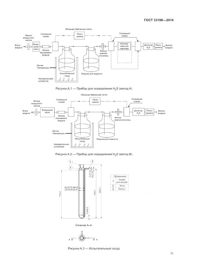
Настоящий стандарт устанавливает методы определения содержания сероводорода (H2S) в нефтяных топливах, в том числе в судовых остаточных топливах, дистиллятах и базовых компонентах нефтяных смесевых топлив с вязкостью, измеренной в жидкой фазе, до 3000 мм кв.с в степени -1 при 50 °C. Настоящий стандарт устанавливает требования к двум методам A и B с соответствующим оборудованием
Документ принят орг-ей:
Межгосударственный Совет по стандартизации метрологии и сертификации, протокол №72
Ключевые слова документа:
содержание сероводорода, топлива нефтяные, экспресс-методы жидкофазной экстракции
Ссылки на прочие:
IP 475/05

Скачать ГОСТ 33198-2014 вы можете в следующих версиях:

Тип файла:
Дата добавления:
Загрузок:
Размер:
Тип файла:
PDF с изображениями
Добавлен:
20/11/2025 14:14
Скачиваний:
4
Размер файла:
1.27 Мб
  • ГОСТ 33198-2014, страница 1 страница 1
  • ГОСТ 33198-2014, страница 2 страница 2
  • ГОСТ 33198-2014, страница 3 страница 3
  • ГОСТ 33198-2014, страница 4 страница 4
  • ГОСТ 33198-2014, страница 5 страница 5
  • ГОСТ 33198-2014, страница 6 страница 6
  • ГОСТ 33198-2014, страница 7 страница 7
  • ГОСТ 33198-2014, страница 8 страница 8
  • ГОСТ 33198-2014, страница 9 страница 9
  • ГОСТ 33198-2014, страница 10 страница 10
  • ГОСТ 33198-2014, страница 11 страница 11
  • ГОСТ 33198-2014, страница 12 страница 12
  • ГОСТ 33198-2014, страница 13 страница 13
  • ГОСТ 33198-2014, страница 14 страница 14
  • ГОСТ 33198-2014, страница 15 страница 15
  • ГОСТ 33198-2014, страница 16 страница 16