ГОСТ 3231-71 Зенкеры, оснащенные твердосплавными пластинами. Конструкция и размеры

Категории ГОСТ 3231-71 по ОКС:
Статус документа:
действует, введён в действие 01.07.1972
Название на английском языке:
Carbide tipped counterbores. Design and dimensions
Дата актуализации информации по стандарту:
18.12.2025, в 21:54 (менее 3 месяцев назад)
Вид стандарта:
Стандарты на продукцию (услуги)
Дата начала действия ГОСТа:
1972-07-01
Срок действия ограничен:
01.07.2026
Дата последнего издания документа:
1992-10-01
Коды документа ГОСТ 3231-71:
Код ОКП:
391622
Код КГС:
Г23
Код ОКСТУ:
3916
Число страниц:
16
Назначение ГОСТ 3231-71:
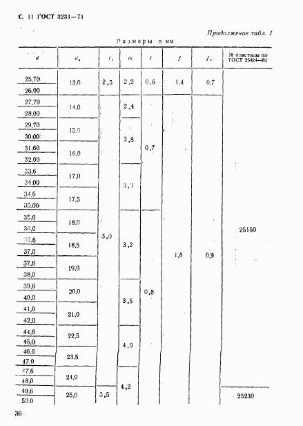
Настоящий стандарт распространяется на цельные зенкеры с коническим хвостовиком и насадные зенкеры, оснащенные твердосплавными пластинами, предназначенные для обработки отверстий в деталях из чугуна и стали
ГРНТИ индекс(ы):
553129
Этот ГОСТ входит в сборник:
Зенкеры

Скачать ГОСТ 3231-71 вы можете в следующих версиях:

Тип файла:
Дата добавления:
Загрузок:
Размер:
Тип файла:
PDF с изображениями
Добавлен:
12/12/2011 01:57
Скачиваний:
953
Размер файла:
0.44 Мб

Поправки и изменения к ГОСТ 3231-71:

  • Наименование, вид:
    Дата
    регистрации:
    начала действия:
  • Изменение к ГОСТ 3231-71. Утратил силу в РФ

    Тип изменения: Утратил силу в РФ
    Номер изменения:
    Регистрационный номер: 1381-ст
    Новое значение: Утратил силу на территории РФ, с 01.07.2026 действует ГОСТ Р 72139-2025

    2025-11-13
    2026-07-01
  • Изменение №1 к ГОСТ 3231-71

    Тип изменения: Текстовое изменение
    Номер изменения: 1
    Регистрационный номер: 2618

    1980-06-06
    1981-01-01
  • Изменение №2 к ГОСТ 3231-71

    Тип изменения: Текстовое изменение; Изменено заглавие
    Номер изменения: 2
    Регистрационный номер: 1220
    Новое значение: Cм. зaглaвиe

    1986-05-13
    1987-01-01
  • ГОСТ 3231-71, страница 1 страница 1
  • ГОСТ 3231-71, страница 2 страница 2
  • ГОСТ 3231-71, страница 3 страница 3
  • ГОСТ 3231-71, страница 4 страница 4
  • ГОСТ 3231-71, страница 5 страница 5
  • ГОСТ 3231-71, страница 6 страница 6
  • ГОСТ 3231-71, страница 7 страница 7
  • ГОСТ 3231-71, страница 8 страница 8
  • ГОСТ 3231-71, страница 9 страница 9
  • ГОСТ 3231-71, страница 10 страница 10
  • ГОСТ 3231-71, страница 11 страница 11
  • ГОСТ 3231-71, страница 12 страница 12
  • ГОСТ 3231-71, страница 13 страница 13
  • ГОСТ 3231-71, страница 14 страница 14
  • ГОСТ 3231-71, страница 15 страница 15
  • ГОСТ 3231-71, страница 16 страница 16