ГОСТ 27036-86 Компенсаторы и уплотнения сильфонные металлические. Общие технические условия

Категории ГОСТ 27036-86 по ОКС:
Статус документа:
действует, введён в действие 01.07.1988
Название на английском языке:
Metal bellows expansion joints and seals. General specifications
Дата актуализации информации по стандарту:
15.09.2019, в 11:27 (более года назад)
Вид стандарта:
Стандарты на продукцию (услуги)
Дата начала действия ГОСТа:
1988-07-01
Дата последнего издания документа:
2003-11-01
Коды документа ГОСТ 27036-86:
Код ОКП:
369574
Код КГС:
П04
Число страниц:
80
Назначение ГОСТ 27036-86:
Настоящий стандарт распространяется на сильфонные металлические компенсаторы, предназначенные для герметичного соединения относительно перемещающихся элементов механизмов, устройств, трубопроводов и сильфонные металлические уплотнения, предназначенные для разделения объемов жидкостей и газов, ограниченных относительно перемещающимися конструкциями. Стандарт не распространяется на сильфонные компенсаторы и уплотнения, предназначенные для бестуннельной подземной прокладки, и на специальные сильфонные компенсаторы и уплотнения, создаваемые по прямым заказам Министерства обороны
ГРНТИ индекс(ы):
5971
Ключевые слова документа:
гарантии изготовителя, испытания, компенсаторы металлические, компенсаторы сильфонные, комплектность, маркировка, параметры, приемка, размеры, соединение герметичное, технические требования, транспортирование, упаковка, уплотнения металлические, уплотнения сильфонные, эксплуатация

Скачать ГОСТ 27036-86 вы можете в следующих версиях:

Тип файла:
Дата добавления:
Загрузок:
Размер:
Тип файла:
PDF с изображениями
Добавлен:
12/12/2011 02:02
Скачиваний:
750
Размер файла:
1.97 Мб

Поправки и изменения к ГОСТ 27036-86:

  • Наименование, вид:
    Дата
    регистрации:
    начала действия:
  • Изменение к ГОСТ 27036-86. Восстановлен на территории РФ

    Тип изменения: Восстановлен на территории РФ
    Номер изменения:
    Регистрационный номер: 69-ст
    Новое значение: 01.07.2003

    2003-03-05
    2003-07-01
  • Изменение к ГОСТ 27036-86. Утратил силу в РФ

    Тип изменения: Утратил силу в РФ
    Номер изменения:
    Регистрационный номер: 45-ст
    Новое значение: 01.01.2001

    2000-02-22
    2001-01-01
  • Изменение №1 к ГОСТ 27036-86

    Тип изменения: Текстовое изменение
    Номер изменения: 1
    Регистрационный номер: 3159
    Новое значение: -

    1989-10-24
    1990-05-01
  • Изменение №2 к ГОСТ 27036-86

    Тип изменения: Текстовое изменение
    Номер изменения: 2
    Регистрационный номер: 424
    Новое значение: -

    1992-04-21
    1992-07-01
  • ГОСТ 27036-86, страница 1 страница 1
  • ГОСТ 27036-86, страница 2 страница 2
  • ГОСТ 27036-86, страница 3 страница 3
  • ГОСТ 27036-86, страница 4 страница 4
  • ГОСТ 27036-86, страница 5 страница 5
  • ГОСТ 27036-86, страница 6 страница 6
  • ГОСТ 27036-86, страница 7 страница 7
  • ГОСТ 27036-86, страница 8 страница 8
  • ГОСТ 27036-86, страница 9 страница 9
  • ГОСТ 27036-86, страница 10 страница 10
  • ГОСТ 27036-86, страница 11 страница 11
  • ГОСТ 27036-86, страница 12 страница 12
  • ГОСТ 27036-86, страница 13 страница 13
  • ГОСТ 27036-86, страница 14 страница 14
  • ГОСТ 27036-86, страница 15 страница 15
  • ГОСТ 27036-86, страница 16 страница 16
  • ГОСТ 27036-86, страница 17 страница 17
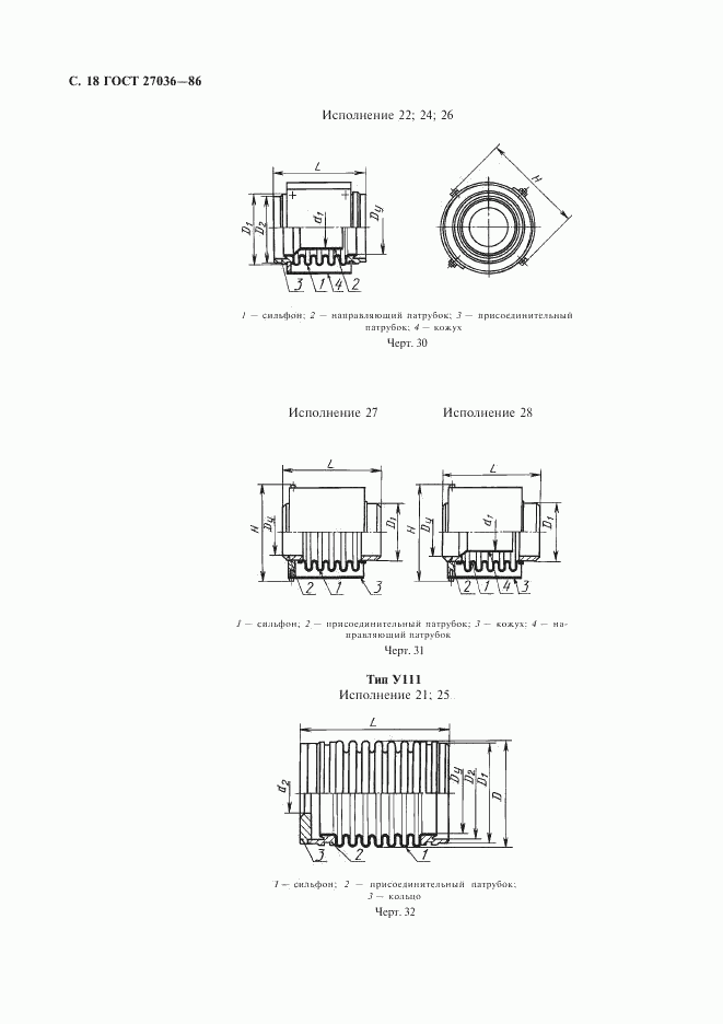
  • ГОСТ 27036-86, страница 18 страница 18
  • ГОСТ 27036-86, страница 19 страница 19
  • ГОСТ 27036-86, страница 20 страница 20
  • ГОСТ 27036-86, страница 21 страница 21
  • ГОСТ 27036-86, страница 22 страница 22
  • ГОСТ 27036-86, страница 23 страница 23
  • ГОСТ 27036-86, страница 24 страница 24
  • ГОСТ 27036-86, страница 25 страница 25
  • ГОСТ 27036-86, страница 26 страница 26
  • ГОСТ 27036-86, страница 27 страница 27
  • ГОСТ 27036-86, страница 28 страница 28
  • ГОСТ 27036-86, страница 29 страница 29
  • ГОСТ 27036-86, страница 30 страница 30
  • ГОСТ 27036-86, страница 31 страница 31
  • ГОСТ 27036-86, страница 32 страница 32
  • ГОСТ 27036-86, страница 33 страница 33
  • ГОСТ 27036-86, страница 34 страница 34
  • ГОСТ 27036-86, страница 35 страница 35
  • ГОСТ 27036-86, страница 36 страница 36
  • ГОСТ 27036-86, страница 37 страница 37
  • ГОСТ 27036-86, страница 38 страница 38
  • ГОСТ 27036-86, страница 39 страница 39
  • ГОСТ 27036-86, страница 40 страница 40
  • ГОСТ 27036-86, страница 41 страница 41
  • ГОСТ 27036-86, страница 42 страница 42
  • ГОСТ 27036-86, страница 43 страница 43
  • ГОСТ 27036-86, страница 44 страница 44
  • ГОСТ 27036-86, страница 45 страница 45
  • ГОСТ 27036-86, страница 46 страница 46
  • ГОСТ 27036-86, страница 47 страница 47
  • ГОСТ 27036-86, страница 48 страница 48
  • ГОСТ 27036-86, страница 49 страница 49
  • ГОСТ 27036-86, страница 50 страница 50
  • ГОСТ 27036-86, страница 51 страница 51
  • ГОСТ 27036-86, страница 52 страница 52
  • ГОСТ 27036-86, страница 53 страница 53
  • ГОСТ 27036-86, страница 54 страница 54
  • ГОСТ 27036-86, страница 55 страница 55
  • ГОСТ 27036-86, страница 56 страница 56
  • ГОСТ 27036-86, страница 57 страница 57
  • ГОСТ 27036-86, страница 58 страница 58
  • ГОСТ 27036-86, страница 59 страница 59
  • ГОСТ 27036-86, страница 60 страница 60
  • ГОСТ 27036-86, страница 61 страница 61
  • ГОСТ 27036-86, страница 62 страница 62
  • ГОСТ 27036-86, страница 63 страница 63
  • ГОСТ 27036-86, страница 64 страница 64
  • ГОСТ 27036-86, страница 65 страница 65
  • ГОСТ 27036-86, страница 66 страница 66
  • ГОСТ 27036-86, страница 67 страница 67
  • ГОСТ 27036-86, страница 68 страница 68
  • ГОСТ 27036-86, страница 69 страница 69
  • ГОСТ 27036-86, страница 70 страница 70
  • ГОСТ 27036-86, страница 71 страница 71
  • ГОСТ 27036-86, страница 72 страница 72
  • ГОСТ 27036-86, страница 73 страница 73
  • ГОСТ 27036-86, страница 74 страница 74
  • ГОСТ 27036-86, страница 75 страница 75
  • ГОСТ 27036-86, страница 76 страница 76
  • ГОСТ 27036-86, страница 77 страница 77
  • ГОСТ 27036-86, страница 78 страница 78
  • ГОСТ 27036-86, страница 79 страница 79
  • ГОСТ 27036-86, страница 80 страница 80