ГОСТ Р ИСО 22241-4-2014 Двигатели дизельные. Восстановитель оксидов азота AUS 32. Часть 4. Устройства дозаправки

Категории ГОСТ Р ИСО 22241-4-2014 по ОКС:
Статус документа:
действует, введён в действие 01.01.2015
Название на английском языке:
Diesel engines. NOx reduction agent AUS 32. Part 4. Refilling interface
Дата актуализации информации по стандарту:
22.10.2025, в 11:09 (менее 3 месяцев назад)
Вид стандарта:
временно не известен
Дата начала действия ГОСТа:
2015-01-01
Число страниц:
21
Назначение ГОСТ Р ИСО 22241-4-2014:
не указано

Скачать ГОСТ Р ИСО 22241-4-2014 вы можете в следующих версиях:

Тип файла:
Дата добавления:
Загрузок:
Размер:
Тип файла:
PDF с изображениями
Добавлен:
20/11/2025 16:15
Скачиваний:
4
Размер файла:
1.14 Мб
  • ГОСТ Р ИСО 22241-4-2014, страница 1 страница 1
  • ГОСТ Р ИСО 22241-4-2014, страница 2 страница 2
  • ГОСТ Р ИСО 22241-4-2014, страница 3 страница 3
  • ГОСТ Р ИСО 22241-4-2014, страница 4 страница 4
  • ГОСТ Р ИСО 22241-4-2014, страница 5 страница 5
  • ГОСТ Р ИСО 22241-4-2014, страница 6 страница 6
  • ГОСТ Р ИСО 22241-4-2014, страница 7 страница 7
  • ГОСТ Р ИСО 22241-4-2014, страница 8 страница 8
  • ГОСТ Р ИСО 22241-4-2014, страница 9 страница 9
  • ГОСТ Р ИСО 22241-4-2014, страница 10 страница 10
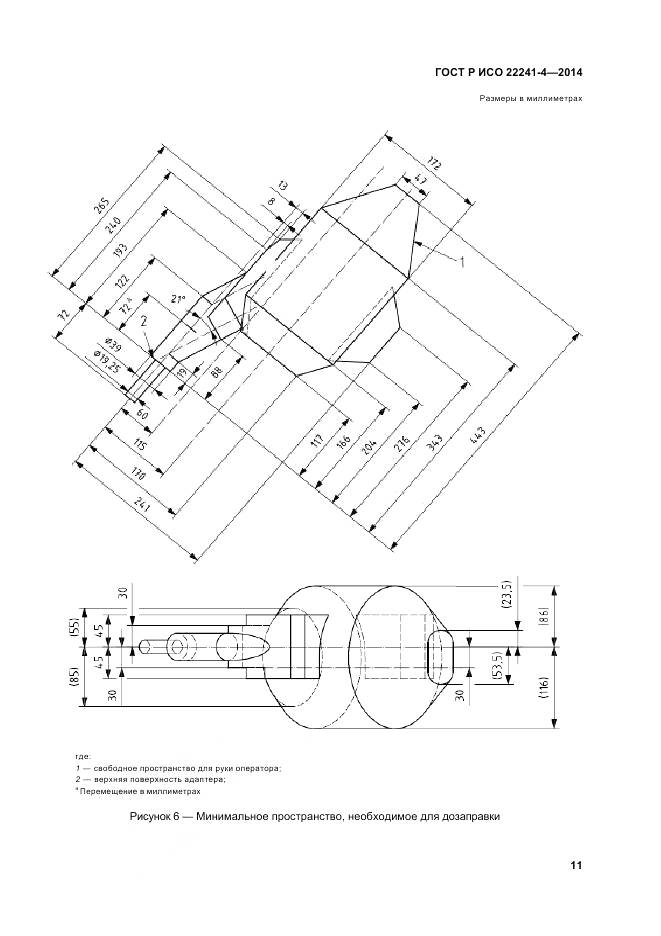
  • ГОСТ Р ИСО 22241-4-2014, страница 11 страница 11
  • ГОСТ Р ИСО 22241-4-2014, страница 12 страница 12
  • ГОСТ Р ИСО 22241-4-2014, страница 13 страница 13
  • ГОСТ Р ИСО 22241-4-2014, страница 14 страница 14
  • ГОСТ Р ИСО 22241-4-2014, страница 15 страница 15
  • ГОСТ Р ИСО 22241-4-2014, страница 16 страница 16
  • ГОСТ Р ИСО 22241-4-2014, страница 17 страница 17
  • ГОСТ Р ИСО 22241-4-2014, страница 18 страница 18
  • ГОСТ Р ИСО 22241-4-2014, страница 19 страница 19
  • ГОСТ Р ИСО 22241-4-2014, страница 20 страница 20
  • ГОСТ Р ИСО 22241-4-2014, страница 21 страница 21