ГОСТ 21467-81 Амортизаторы бортового оборудования летательных аппаратов. Типы, основные параметры, размеры и технические требования

Категории ГОСТ 21467-81 по ОКС:
Статус документа:
действует, введён в действие 01.07.1982
Название на английском языке:
Vehicle airborne equipment shock absorbers. Types, main characteristics, dimensions and technical requirements
Дата актуализации информации по стандарту:
12.09.2019, в 19:49 (более года назад)
Вид стандарта:
Стандарты на продукцию (услуги)
Дата начала действия ГОСТа:
1982-07-01
Дата последнего издания документа:
1981-11-16
Коды документа ГОСТ 21467-81:
Код ОКП:
757000
Код КГС:
Д15
Код ОКСТУ:
7570
Число страниц:
11
Назначение ГОСТ 21467-81:
Настоящий стандарт устанавливает типы, основные параметры, размеры и технические требования к амортизаторам бортового оборудования летательных аппаратов, предназначенным для защиты бортового оборудования от воздействия вибрации и ударов, действующих в любом направлении. Стандарт не распространяется на амортизаторы космических аппаратов (искусственные спутники, межпланетные станции, орбитальные корабли и станции и т.д.)
ГРНТИ индекс(ы):
554729
Ключевые слова документа:
амортизаторы бортового оборудования, параметры, размеры, типы

Скачать ГОСТ 21467-81 вы можете в следующих версиях:

Тип файла:
Дата добавления:
Загрузок:
Размер:
Тип файла:
PDF с изображениями
Добавлен:
12/12/2011 02:00
Скачиваний:
312
Размер файла:
0.52 Мб

Поправки и изменения к ГОСТ 21467-81:

  • Наименование, вид:
    Дата
    регистрации:
    начала действия:
  • Изменение №1 к ГОСТ 21467-81

    Тип изменения: Текстовое изменение
    Номер изменения: 1
    Регистрационный номер: 788
    Новое значение: -

    1987-03-19
    1987-07-01
  • ГОСТ 21467-81, страница 1 страница 1
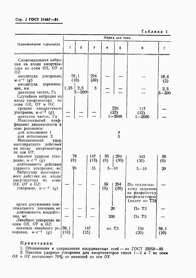
  • ГОСТ 21467-81, страница 2 страница 2
  • ГОСТ 21467-81, страница 3 страница 3
  • ГОСТ 21467-81, страница 4 страница 4
  • ГОСТ 21467-81, страница 5 страница 5
  • ГОСТ 21467-81, страница 6 страница 6
  • ГОСТ 21467-81, страница 7 страница 7
  • ГОСТ 21467-81, страница 8 страница 8
  • ГОСТ 21467-81, страница 9 страница 9
  • ГОСТ 21467-81, страница 10 страница 10
  • ГОСТ 21467-81, страница 11 страница 11