ГОСТ 13637.7-93
ГОСТ 13637.7-93 Галлий. Метод определения серы
Категории ГОСТ 13637.7-93 по ОКС:- Статус документа:
- действует, введён в действие 01.01.1995
- Название на английском языке:
- Gallium. Method for the determination of sulphur
- Дата актуализации информации по стандарту:
- 05.08.2025, в 17:26 (менее полугода назад)
- Вид стандарта:
- Стандарты на методы контроля
- Дата начала действия ГОСТа:
- 1995-01-01
- Дата последнего издания документа:
- 1996-01-23
Коды документа ГОСТ 13637.7-93:
- Код ОКП:
- 176830
- Код КГС:
- В59
- Код ОКСТУ:
- 1709
- Число страниц:
- 9
- Назначение ГОСТ 13637.7-93:
- Настоящий стандарт устанавливает метод переменно-токовой полярографии для определения серы в галлии (при массовой доле серы от 5х10 в степени минус 6 до 1х10 в степени минус 4 %)
- ГРНТИ индекс(ы):
- 530181
- Документ разработан орг-ей:
- Госстандарт России
- Документ принят орг-ей:
- Межгосударственный Совет по стандартизации метрологии и сертификации, протокол №4-93
- Этот ГОСТ входит в сборник:
- Галлий. Методы анализа
- Ключевые слова документа:
- металлы, сера
Нормативные ссылки, связанные с ГОСТ 13637.7-93:
- Стандарт ссылается на ГОСТы:
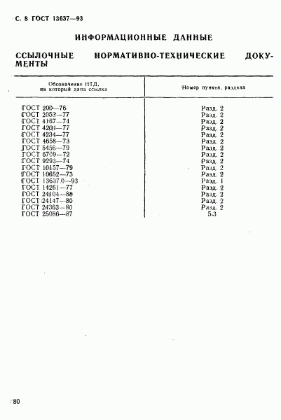
- ГОСТ 5456-79, ГОСТ 14261-77, ГОСТ 24104-88, ГОСТ 24363-80, ГОСТ 24147-80, ГОСТ 10652-73, ГОСТ 10157-79, ГОСТ 9293-74, ГОСТ 6709-72, ГОСТ 13637.0-93, ГОСТ 4234-77, ГОСТ 4204-77, ГОСТ 4167-74, ГОСТ 2053-77, ГОСТ 200-76, ГОСТ 4658-73, ГОСТ 25086-87
- На стандарт ссылаются:
- ГОСТ 13637.0-93, ГОСТ 12797-77
Скачать ГОСТ 13637.7-93 вы можете в следующих версиях:
Тип файла:
Дата добавления:
Загрузок:
Размер:
Ссылка на скачивание:
Добавлен:
12/12/2011 01:57
Скачиваний:
136
Размер файла:
0.42 Мб
Ссылка для скачивания:
-
страница 1
-
страница 2
-
страница 3
-
страница 4
-
страница 5
-
страница 6
-
страница 7
-
страница 8
-
страница 9