ГОСТ 12692-67
ГОСТ 12692-67 Измерители частоты резонансные. Методы и средства поверки
Категории ГОСТ 12692-67 по ОКС:- 17. Метрология и измерения. Физические явления.
- 17.220. Электричество. Магнетизм. Электрические и магнитные измерения
- 17.220.20 Измерения электрических и магнитных величин *включая измерительные приборы, измерительные трансформаторы *счетчики электроэнергии в зданиях см. 91.140.50
- Статус документа:
- действует, введён в действие 01.01.1968
- Название на английском языке:
- Resonense frequency meters. Methods and means for verification
- Дата актуализации информации по стандарту:
- 05.08.2025, в 15:49 (менее полугода назад)
- Вид стандарта:
- Стандарты на методы контроля
- Дата начала действия ГОСТа:
- 1968-01-01
- Дата последнего издания документа:
- 1979-12-01
Коды документа ГОСТ 12692-67:
- Код ОКП:
- 422000
- Код КГС:
- Т88
- Код ОКСТУ:
- 0008
- Число страниц:
- 7
- Назначение ГОСТ 12692-67:
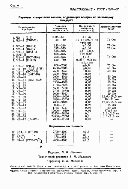
- Настоящий стандарт распространяется на вновь изготовляемые, выпускаемые из ремонта и находящиеся в эксплуатации измерители частоты и резонансные, оформленные в виде самостоятельных приборов или встроенные в другие приборы, и устанавливает методы и средства их поверки
- ГРНТИ индекс(ы):
- 902734
Нормативные ссылки, связанные с ГОСТ 12692-67:
- Стандарт ссылается на ГОСТы:
- ГОСТ 9763-61
Скачать ГОСТ 12692-67 вы можете в следующих версиях:
Тип файла:
Дата добавления:
Загрузок:
Размер:
Ссылка на скачивание:
Добавлен:
12/12/2011 01:59
Скачиваний:
251
Размер файла:
0.37 Мб
Ссылка для скачивания:
-
страница 1
-
страница 2
-
страница 3
-
страница 4
-
страница 5
-
страница 6
-
страница 7