ГОСТ Р ИСО 12164-2-2013 Крепление инструментов с полым коническим хвостовиком (HSK) типов А и С. Присоединительные размеры

Категории ГОСТ Р ИСО 12164-2-2013 по ОКС:
Статус документа:
принят, введён в действие 01.07.2014
Название на английском языке:
Tool receiver for type A and C hollow taper shanks. Connecting dimensions
Дата актуализации информации по стандарту:
22.01.2026, в 19:57 (менее месяца назад)
Вид стандарта:
временно не известен
Дата начала действия ГОСТа:
2014-07-01
Коды документа ГОСТ Р ИСО 12164-2-2013:
Код ОКП:
392800
Код КГС:
Г23
Число страниц:
не известно
Назначение ГОСТ Р ИСО 12164-2-2013:
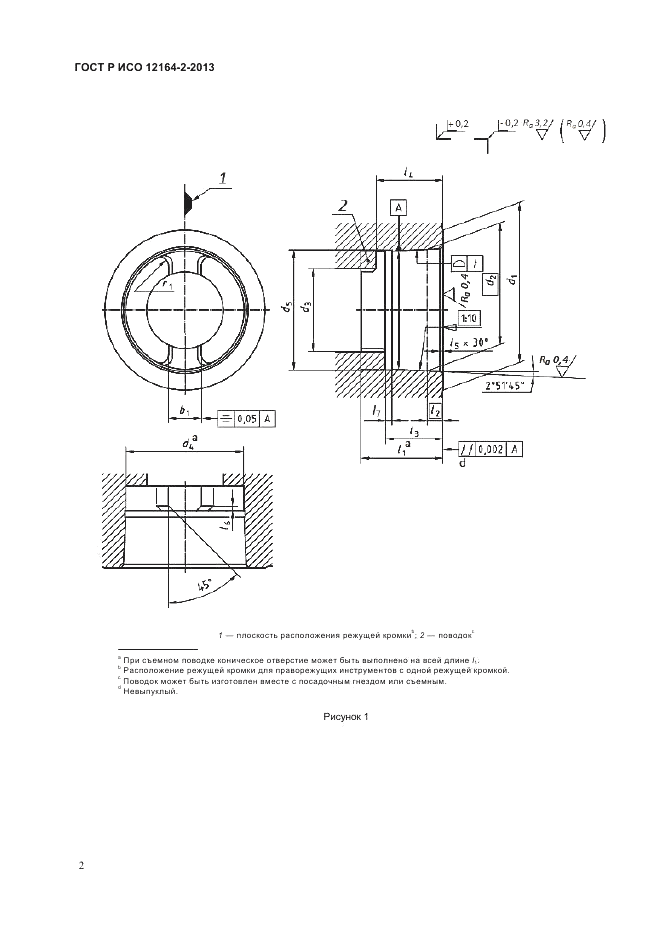
Настоящий стандарт распространяется на присоединительные размеры посадочного гнезда для крепления инструментов с полым коническим хвостовиком (HSK) с прилеганием по плоскости фланца к торцу шпинделя токарных, сверлильных, фрезерных и шлифовальных станков. Настоящий стандарт распространяется на два типа посадочного гнезда: тип А - для автоматической смены инструмента и тип С - для ручной смены инструмента. Ручную смену инструмента осуществляют через отверстия в посадочных гнездах обоих типов и хвостовике инструмента. Крутящий момент передается посредством торцовой шпонки на конце хвостовика, а также - силой трения
Документ разработан орг-ей:
Федеральное агентство по техническому регулированию и метрологии (Росстандарт)
Ключевые слова документа:
инструмент, конические хвостовики HSK типов А и С, крепление хвостовиков HSK

Скачать ГОСТ Р ИСО 12164-2-2013 вы можете в следующих версиях:

Тип файла:
Дата добавления:
Загрузок:
Размер:
Тип файла:
PDF с изображениями
Добавлен:
23/01/2016 18:34
Скачиваний:
33
Размер файла:
0.34 Мб
  • ГОСТ Р ИСО 12164-2-2013, страница 1 страница 1
  • ГОСТ Р ИСО 12164-2-2013, страница 2 страница 2
  • ГОСТ Р ИСО 12164-2-2013, страница 3 страница 3
  • ГОСТ Р ИСО 12164-2-2013, страница 4 страница 4
  • ГОСТ Р ИСО 12164-2-2013, страница 5 страница 5
  • ГОСТ Р ИСО 12164-2-2013, страница 6 страница 6
  • ГОСТ Р ИСО 12164-2-2013, страница 7 страница 7
  • ГОСТ Р ИСО 12164-2-2013, страница 8 страница 8
  • ГОСТ Р ИСО 12164-2-2013, страница 9 страница 9
  • ГОСТ Р ИСО 12164-2-2013, страница 10 страница 10
  • ГОСТ Р ИСО 12164-2-2013, страница 11 страница 11
  • ГОСТ Р ИСО 12164-2-2013, страница 12 страница 12