ГОСТ Р ИСО 12164-1-2013 Хвостовики инструментов полые конические (HSK). Типы А и С. Основные размеры

Категории ГОСТ Р ИСО 12164-1-2013 по ОКС:
Статус документа:
принят, введён в действие 01.07.2014
Название на английском языке:
Hollow taper shank of tools (HSK). Types A and C. Basic dimensions
Дата актуализации информации по стандарту:
22.01.2026, в 19:57 (менее месяца назад)
Вид стандарта:
временно не известен
Дата начала действия ГОСТа:
2014-07-01
Коды документа ГОСТ Р ИСО 12164-1-2013:
Код ОКП:
392800
Код КГС:
Г23
Число страниц:
не известно
Назначение ГОСТ Р ИСО 12164-1-2013:
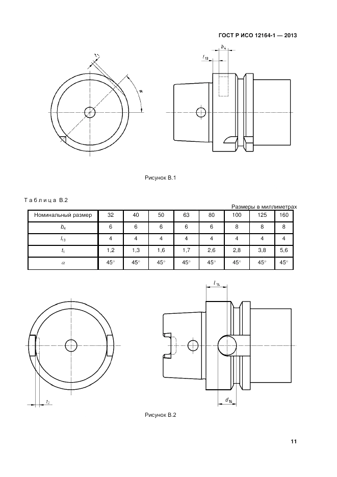
Настоящий стандарт распространяется на размеры полых конических хвостовиков (HSK) инструментов с прилеганием по плоскости фланца к торцу шпинделя токарных, сверлильных, фрезерных и шлифовальных станков. Настоящий стандарт распространяется на два типа хвостовиков. Тип А содержит проточенный паз на фланце для автоматической смены инструмента. Инструменты также могут быть заменены вручную. Тип С не содержит проточенный паз на фланце и может быть применен только для ручной смены инструмента. Ручную смену инструмента в обоих типах осуществляют через отверстие в конической части хвостовика. Крутящий момент передается посредством торцовой шпонки на конце хвостовика, а также - силой трения
Документ разработан орг-ей:
Федеральное агентство по техническому регулированию и метрологии (Росстандарт)
Ключевые слова документа:
полые конические хвостовики, хвостовики HSK типов А и С, хвостовики инструментов

Скачать ГОСТ Р ИСО 12164-1-2013 вы можете в следующих версиях:

Тип файла:
Дата добавления:
Загрузок:
Размер:
Тип файла:
PDF с изображениями
Добавлен:
23/01/2016 18:34
Скачиваний:
27
Размер файла:
0.49 Мб
  • ГОСТ Р ИСО 12164-1-2013, страница 1 страница 1
  • ГОСТ Р ИСО 12164-1-2013, страница 2 страница 2
  • ГОСТ Р ИСО 12164-1-2013, страница 3 страница 3
  • ГОСТ Р ИСО 12164-1-2013, страница 4 страница 4
  • ГОСТ Р ИСО 12164-1-2013, страница 5 страница 5
  • ГОСТ Р ИСО 12164-1-2013, страница 6 страница 6
  • ГОСТ Р ИСО 12164-1-2013, страница 7 страница 7
  • ГОСТ Р ИСО 12164-1-2013, страница 8 страница 8
  • ГОСТ Р ИСО 12164-1-2013, страница 9 страница 9
  • ГОСТ Р ИСО 12164-1-2013, страница 10 страница 10
  • ГОСТ Р ИСО 12164-1-2013, страница 11 страница 11
  • ГОСТ Р ИСО 12164-1-2013, страница 12 страница 12
  • ГОСТ Р ИСО 12164-1-2013, страница 13 страница 13
  • ГОСТ Р ИСО 12164-1-2013, страница 14 страница 14
  • ГОСТ Р ИСО 12164-1-2013, страница 15 страница 15
  • ГОСТ Р ИСО 12164-1-2013, страница 16 страница 16