ГОСТ 12.4.159-90
ГОСТ 12.4.159-90 Система стандартов безопасности труда. Средства индивидуальной защиты органов дыхания фильтрующие. Методы определения времени защитного действия фильтрующе-поглощающих коробок по газообразным вредным веществам
Категории ГОСТ 12.4.159-90 по ОКС:- 13. Охрана окружающей среды
- 13.340. Защитные средства *безопасность профессиональной деятельности см. 13.100
- 13.340.30 Устройства для защиты органов дыхания
- Статус документа:
- действует, введён в действие 01.01.1991
- Название на английском языке:
- Occupational safety standards system. Means for individual protection of breathing organs. Methods of testing all-service canisters protection time against noxious gaseous contaminants
- Дата актуализации информации по стандарту:
- 20.06.2025, в 09:45 (менее полугода назад)
- Вид стандарта:
- Основополагающие стандарты
- Дата начала действия ГОСТа:
- 1991-01-01
- Дата последнего издания документа:
- 1990-10-03
Коды документа ГОСТ 12.4.159-90:
- Код ОКП:
- 256830
- Код КГС:
- Л09
- Код ОКСТУ:
- 2509;0012
- Число страниц:
- 22
- Назначение ГОСТ 12.4.159-90:
- Настоящий стандарт распространяется на промышленные фильтрующие средства индивидуальной защиты органов дыхания и устанавливает методв определения времени защитного действия фильтрующе-поглащающих коробок по газообразным вредным веществам: гидриду серы, диоксиду серы, аммиаку, гидриду мышьяка
- ГРНТИ индекс(ы):
- 8633
- Ключевые слова документа:
- определение времени защитного действия, ссбт, фильтрующе-поглощающие коробки
Нормативные ссылки, связанные с ГОСТ 12.4.159-90:
- Стандарт ссылается на ГОСТы:
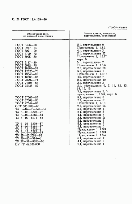
- ГОСТ 25336-82, ГОСТ 6217-74, ГОСТ 6709-72, ГОСТ 7995-80, ГОСТ 9147-80, ГОСТ 9932-75, ГОСТ 10163-76, ГОСТ 12026-76, ГОСТ 13045-81, ГОСТ 18300-87, ГОСТ 5100-85, ГОСТ 27067-86, ГОСТ 27068-86, ГОСТ 24104-88, ГОСТ 5072-79, ГОСТ 20292-74, ГОСТ 27544-87, ГОСТ 12.1.005-83, ГОСТ 4912.2-77, ГОСТ 6221-82, ГОСТ 3118-77, ГОСТ 12.4.122-83, ГОСТ 112-78, ГОСТ 444-75, ГОСТ 596-89, ГОСТ 1027-67, ГОСТ 1277-75, ГОСТ 1770-74, ГОСТ 2053-77, ГОСТ 2918-79, ГОСТ 5496-78, ГОСТ 3145-84, ГОСТ 3956-76, ГОСТ 4159-79, ГОСТ 4204-77, ГОСТ 4233-77, ГОСТ 4328-77, ГОСТ 4461-77, ГОСТ 4919.1-77
- На стандарт ссылаются:
- ГОСТ 17269-71, ГОСТ 12.4.122-83, ГОСТ 12.4.004-74, ГОСТ 12.4.217-2001
- Ссылки на прочие:
- ОСТ 6-02-7-178-84;ТУ 6-05-1828-77;ТУ 6-09-5169-84;ТУ 6-09-5171-84;ТУ 6-09-5359-87;ТУ 6-09-5360-87;ТУ 6-16-2452-81;ТУ 6-16-2690-83;ТУ 25-05.2584-83;ТУ 26-05-514-81;ТУ 27-51-3808-86
Скачать ГОСТ 12.4.159-90 вы можете в следующих версиях:
Тип файла:
Дата добавления:
Загрузок:
Размер:
Ссылка на скачивание:
Добавлен:
12/12/2011 01:58
Скачиваний:
107
Размер файла:
0.77 Мб
Ссылка для скачивания:
-
страница 1
-
страница 2
-
страница 3
-
страница 4
-
страница 5
-
страница 6
-
страница 7
-
страница 8
-
страница 9
-
страница 10
-
страница 11
-
страница 12
-
страница 13
-
страница 14
-
страница 15
-
страница 16
-
страница 17
-
страница 18
-
страница 19
-
страница 20
-
страница 21
-
страница 22