ГОСТ ISO 11650-2017 Оборудование для рекуперации и/или повторного использования хладагента. Эксплуатационные характеристики

Категории ГОСТ ISO 11650-2017 по ОКС:
Статус документа:
действует, введён в действие 01.03.2019
Название на английском языке:
Performance of refrigerant recovery and/or recycling equipment. Performance characteristics
Дата актуализации информации по стандарту:
07.11.2025, в 13:05 (менее 3 месяцев назад)
Вид стандарта:
Стандарты на продукцию (услуги)
Дата начала действия ГОСТа:
2019-03-01
Дата последнего издания документа:
2018-11-29
Коды документа ГОСТ ISO 11650-2017:
Код ОКП:
364400
Число страниц:
20
Назначение ГОСТ ISO 11650-2017:
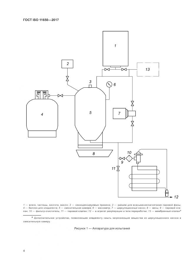
Настоящий стандарт устанавливает требования к испытательной аппаратуре, методикам испытаний газовых смесей, процедурам отбора проб и аналитическим методам, используемым для определения характеристик хладагентов при их рекуперации и/или переработке. Настоящий стандарт также определяет хладагенты, которые могут быть использованы для оценки оборудования, т. е. хладагенты и смеси на основе галогенсодержащих углеводородов. Стандарт не предназначен для использования в качестве ориентира при определении максимальных уровней загрязняющих веществ в переработанных хладагентах, применяемых в различном оборудовании. Стандарт не регламентирует требования безопасности. Настоятельно рекомендуется, чтобы оборудование было спроектировано, изготовлено, собрано и установлено в соответствии с общепризнанными требованиями безопасности
Документ принят орг-ей:
Межгосударственный Совет по стандартизации метрологии и сертификации, протокол №102-П
Ключевые слова документа:
методики испытаний, методы определения, оборудование для извлечения и переработки хладагентов, хладагент, эксплуатационные характеристики

Скачать ГОСТ ISO 11650-2017 вы можете в следующих версиях:

Тип файла:
Дата добавления:
Загрузок:
Размер:
Тип файла:
PDF с изображениями
Добавлен:
20/11/2025 13:59
Скачиваний:
3
Размер файла:
1.52 Мб
  • ГОСТ ISO 11650-2017, страница 1 страница 1
  • ГОСТ ISO 11650-2017, страница 2 страница 2
  • ГОСТ ISO 11650-2017, страница 3 страница 3
  • ГОСТ ISO 11650-2017, страница 4 страница 4
  • ГОСТ ISO 11650-2017, страница 5 страница 5
  • ГОСТ ISO 11650-2017, страница 6 страница 6
  • ГОСТ ISO 11650-2017, страница 7 страница 7
  • ГОСТ ISO 11650-2017, страница 8 страница 8
  • ГОСТ ISO 11650-2017, страница 9 страница 9
  • ГОСТ ISO 11650-2017, страница 10 страница 10
  • ГОСТ ISO 11650-2017, страница 11 страница 11
  • ГОСТ ISO 11650-2017, страница 12 страница 12
  • ГОСТ ISO 11650-2017, страница 13 страница 13
  • ГОСТ ISO 11650-2017, страница 14 страница 14
  • ГОСТ ISO 11650-2017, страница 15 страница 15
  • ГОСТ ISO 11650-2017, страница 16 страница 16
  • ГОСТ ISO 11650-2017, страница 17 страница 17
  • ГОСТ ISO 11650-2017, страница 18 страница 18
  • ГОСТ ISO 11650-2017, страница 19 страница 19
  • ГОСТ ISO 11650-2017, страница 20 страница 20