ГОСТ Р ИСО 11161-2010 Безопасность машинного оборудования. Интегрированные производственные системы. Основные требования

Категории ГОСТ Р ИСО 11161-2010 по ОКС:
Статус документа:
действует, введён в действие 01.01.2011
Название на английском языке:
Safety of machinery. Integrated manufacturing systems. Basic requirements
Дата актуализации информации по стандарту:
18.02.2014, в 22:02 (более года назад)
Вид стандарта:
Стандарты на процессы
Дата начала действия ГОСТа:
2011-01-01
Дата последнего издания документа:
2011-03-15
Коды документа ГОСТ Р ИСО 11161-2010:
Код КГС:
Т58
Число страниц:
36
Назначение ГОСТ Р ИСО 11161-2010:
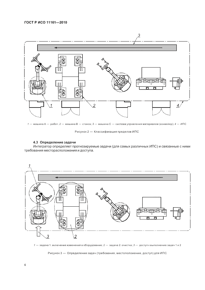
Настоящий стандарт устанавливает требования безопасности к интегрированным производственным системам, включающим две и более взаимосвязанных машин для специфических применений, например производство составляющих или сборку. Настоящий стандарт устанавливает требования и дает рекомендации по безопасному проектированию, предохранительному ограждению и информацию по эксплуатации таких интегрированных производственных систем
Ключевые слова документа:
безопасность, критическое событие, оценка, проект, производственные системы, риск

Скачать ГОСТ Р ИСО 11161-2010 вы можете в следующих версиях:

Тип файла:
Дата добавления:
Загрузок:
Размер:
Тип файла:
PDF с изображениями
Добавлен:
01/12/2025 00:34
Скачиваний:
28
Размер файла:
1.47 Мб
  • ГОСТ Р ИСО 11161-2010, страница 1 страница 1
  • ГОСТ Р ИСО 11161-2010, страница 2 страница 2
  • ГОСТ Р ИСО 11161-2010, страница 3 страница 3
  • ГОСТ Р ИСО 11161-2010, страница 4 страница 4
  • ГОСТ Р ИСО 11161-2010, страница 5 страница 5
  • ГОСТ Р ИСО 11161-2010, страница 6 страница 6
  • ГОСТ Р ИСО 11161-2010, страница 7 страница 7
  • ГОСТ Р ИСО 11161-2010, страница 8 страница 8
  • ГОСТ Р ИСО 11161-2010, страница 9 страница 9
  • ГОСТ Р ИСО 11161-2010, страница 10 страница 10
  • ГОСТ Р ИСО 11161-2010, страница 11 страница 11
  • ГОСТ Р ИСО 11161-2010, страница 12 страница 12
  • ГОСТ Р ИСО 11161-2010, страница 13 страница 13
  • ГОСТ Р ИСО 11161-2010, страница 14 страница 14
  • ГОСТ Р ИСО 11161-2010, страница 15 страница 15
  • ГОСТ Р ИСО 11161-2010, страница 16 страница 16
  • ГОСТ Р ИСО 11161-2010, страница 17 страница 17
  • ГОСТ Р ИСО 11161-2010, страница 18 страница 18
  • ГОСТ Р ИСО 11161-2010, страница 19 страница 19
  • ГОСТ Р ИСО 11161-2010, страница 20 страница 20
  • ГОСТ Р ИСО 11161-2010, страница 21 страница 21
  • ГОСТ Р ИСО 11161-2010, страница 22 страница 22
  • ГОСТ Р ИСО 11161-2010, страница 23 страница 23
  • ГОСТ Р ИСО 11161-2010, страница 24 страница 24
  • ГОСТ Р ИСО 11161-2010, страница 25 страница 25
  • ГОСТ Р ИСО 11161-2010, страница 26 страница 26
  • ГОСТ Р ИСО 11161-2010, страница 27 страница 27
  • ГОСТ Р ИСО 11161-2010, страница 28 страница 28
  • ГОСТ Р ИСО 11161-2010, страница 29 страница 29
  • ГОСТ Р ИСО 11161-2010, страница 30 страница 30
  • ГОСТ Р ИСО 11161-2010, страница 31 страница 31
  • ГОСТ Р ИСО 11161-2010, страница 32 страница 32
  • ГОСТ Р ИСО 11161-2010, страница 33 страница 33
  • ГОСТ Р ИСО 11161-2010, страница 34 страница 34
  • ГОСТ Р ИСО 11161-2010, страница 35 страница 35
  • ГОСТ Р ИСО 11161-2010, страница 36 страница 36